To content
Помощь по сайту
Новости
zapros.by@autopiter.com
Контакты
Страна: Беларусь
Выберите язык
Ru — Русский
En — English
De — Deutsch
Pl — Polski
Все категории
Каталоги запчастей
Минск
Вход
Корзина
Все категории
Каталоги запчастей
Фильтры Hebel Kraft
Оригинальные каталоги по VIN
Каталог мировых брендов
Запчасти ВАЗ, ГАЗ, КАМАЗ
Запчасти для ТО
Для спецтехники
Запчасти на ВАЗ, ГАЗ, Камаз и т.д.
SDLG
LG936
LG936
lg936-2287
Поиск деталей
Например:
DIESEL ENGINE SYSTEM
DIESEL ENGINE SYSTEM
CONTROL SYSTEM
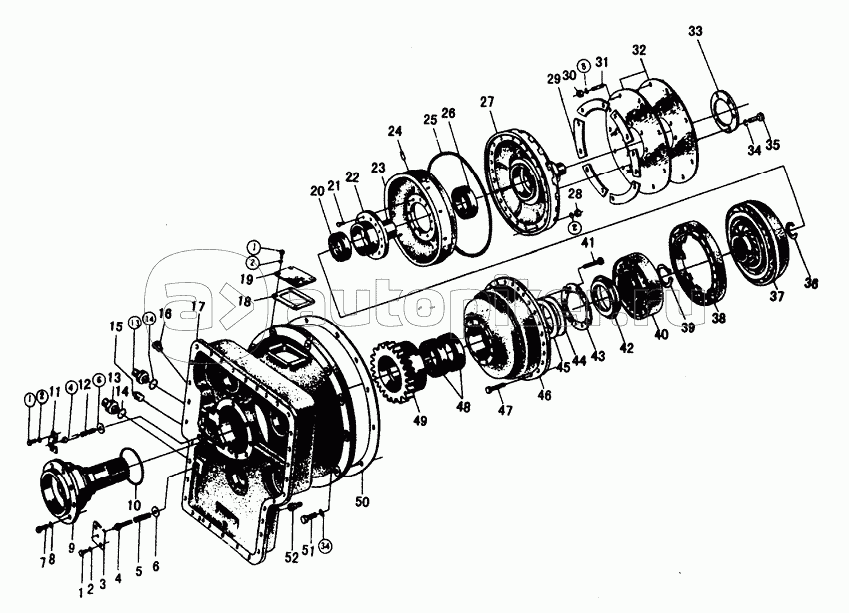
TORQUE CONVERTER SYSTEM
TRANSMISSION SYSTEM
AXLE SYSTEM
HYDRAULIC SYSTEM
WORKING EQUIPMENT
STEERING SYSTEM
BRAKE SYSTEM
FRAME
CAB GROUP
ELECTRIC SYSTEM
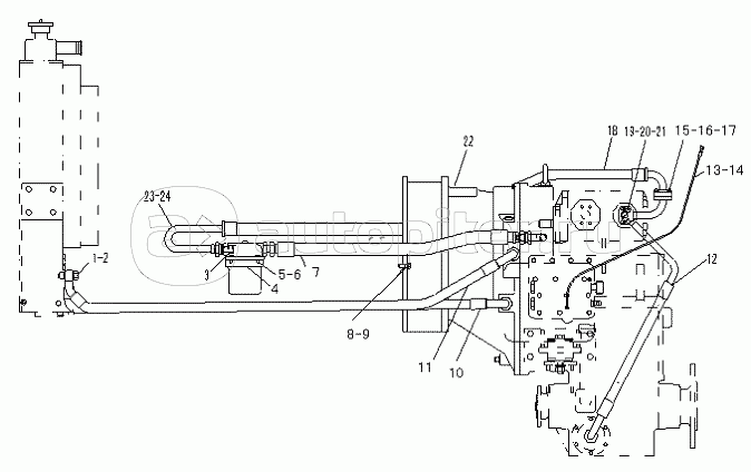
TORQUE CONVERTER SYSTEM
HYDRAULTC TORQUE CONVERTER