To content
Помощь по сайту
Новости
zapros.by@autopiter.com
Контакты
Все категории
Каталоги запчастей
Минск
Вход
Корзина
Все категории
Каталоги запчастей
Фильтры Hebel Kraft
Оригинальные каталоги по VIN
Каталог мировых брендов
Запчасти ВАЗ, ГАЗ, КАМАЗ
Запчасти для ТО
Запчасти на ВАЗ, ГАЗ, Камаз и т.д.
SDLG
LG936L
LG936L
lg936l-1788
Поиск деталей
Например:
DIESEL ENGINE ASSY
DIESEL ENGINE SYSTEM
TORQUE CONVERTER SYSTEM
TRANSMISSION SYSTEM
TRANSMISSION CONTROL SYSTEM
AXLE SYSTEM
IMPLEMENT HYDRAULIC SYSTEM
WORKING EQUIPMENT
STEERING SYSTEM
BRAKE SYSTEM
FRAME
CAB GROUP
CONVER SYSTEM
AIR CONDITIONER SYSTEM
ELECTRIC SYSTEM
DIESEL ENGINE ASSY
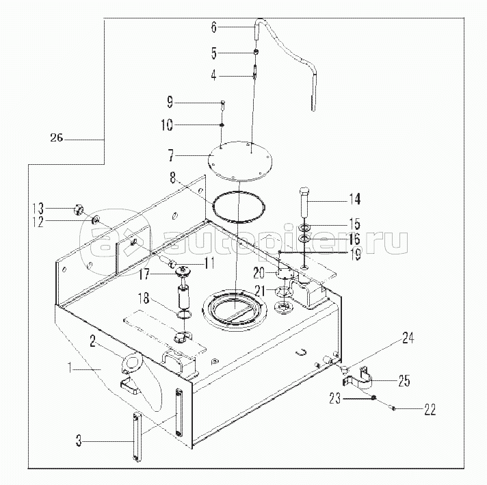
FUEL TANK ASSEMBLY
RADIATOR ASSEMBLY