To content
Помощь по сайту
Новости
zapros.by@autopiter.com
Контакты
Страна: Беларусь
Выберите язык
Ru — Русский
En — English
De — Deutsch
Pl — Polski
Все категории
Каталоги запчастей
Минск
Вход
Корзина
Все категории
Каталоги запчастей
Фильтры Hebel Kraft
Оригинальные каталоги по VIN
Каталог мировых брендов
Запчасти ВАЗ, ГАЗ, КАМАЗ
Запчасти для ТО
Для спецтехники
Запчасти на ВАЗ, ГАЗ, Камаз и т.д.
SDLG
LG958
LG958
lg958
Поиск деталей
Например:
DIESEL ENGINE SYSTEM
DIESEL ENGINE
TRANSMISSION SYSTEM
AXLE SYSTEM
HYDRAULIC SYSTEM
BRAKE SYSTEM
FRAME
CAB GROUP
ELECTRIC SYSTEM
IMPLEMENT HYDRAULIC SYSTEM
WORKING GEAR PUMP
DUMP CYLINDER
LIFT ARM CYLINDER
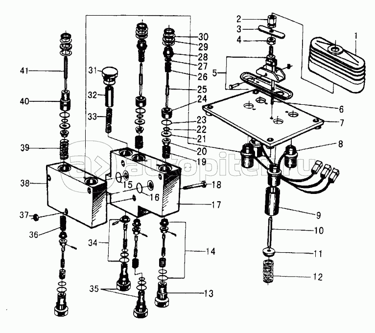
MULTIPLEDIRECTIONAL CONTROL VALVE
TANDEM GEAR PUMP
PRIORITY VALVE
FUEL TANK ASSEMBLY
HYDRAULIC TANK ASSEMBLY
WORKING EQUIPMENT
STEERING SYSTEM
STEERING GEAR
STEERING CYLINDER