To content
Помощь по сайту
Новости
zapros.by@autopiter.com
Контакты
Страна: Беларусь
Выберите язык
Ru — Русский
En — English
De — Deutsch
Pl — Polski
Все категории
Каталоги запчастей
Минск
Вход
Корзина
Все категории
Каталоги запчастей
Фильтры Hebel Kraft
Оригинальные каталоги по VIN
Каталог мировых брендов
Запчасти ВАЗ, ГАЗ, КАМАЗ
Запчасти для ТО
Для спецтехники
Запчасти на ВАЗ, ГАЗ, Камаз и т.д.
SDLG
LG969
LG969
lg969-2299
Поиск деталей
Например:
DIESEL ENGINE SYSTEM
ENGINE SYSTEM
AXLE SYSTEM
HYDRAULIC SYSTEM
WORKING EQUIPMENT
STEERING
BRAKE SYSTEM
FRAME
CAB
ELECTRIC SYSTEM
CAB GROUP
CAB INTERIOR DECORATION
SEAT ASSEMBLY
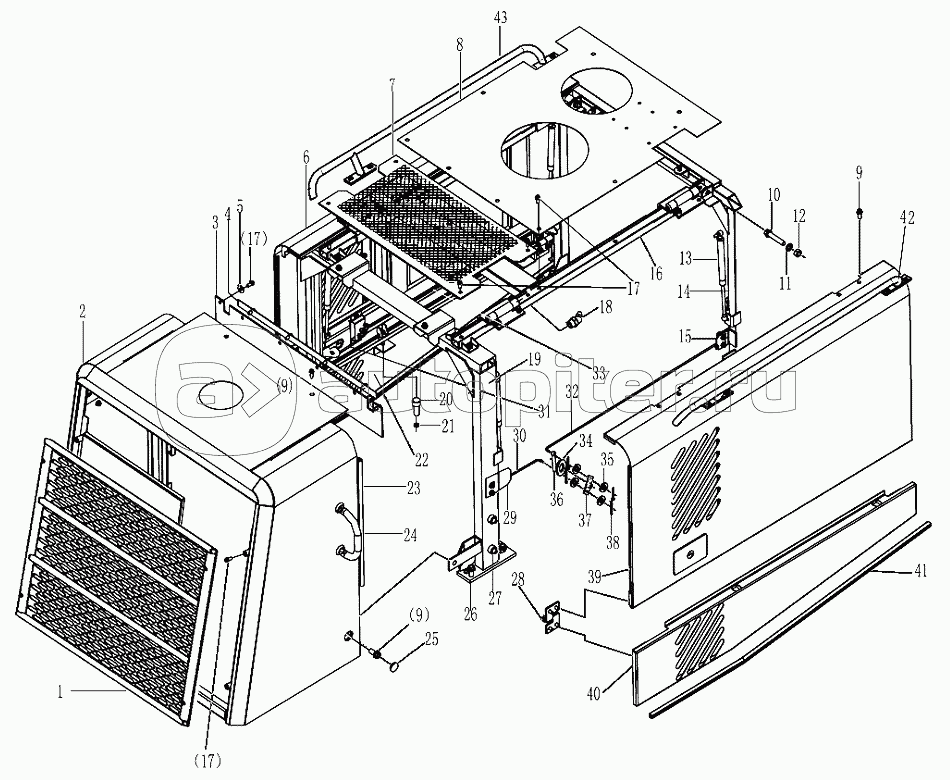
HOOD OF DIESEL ENGINE ASSEMBLY
LEFT BENCH GROUP
RIGHT BENCH GROUP
LEFT RIGHT LAMP FRAME
LEFT RIGHT FRONT FENDER
AIR CONDITIONER SYSTEM