Профиprofi
Поиск деталей
Например: Бак топливный
ДЕТАЛИ ДВИГАТЕЛЯСИСТЕМА ОТОПЛЕНИЯ, ВЕНТИЛЯЦИИ И КОНДИЦИОНИРОВАНИЯ 8 КУЗОВАТРАНСМИССИЯСИСТЕМА ПОДВЕСКИ И РУЛЕВОЕ УПРАВЛЕНИЕИНТЕРЬЕР И ЭКСТЕРЬЕРТОРМОЗНАЯ СИСТЕМАМАСЛА И АВТОХИМИЯКУЗОВЭЛЕКТРИКА И ОСВЕЩЕНИЕАКСЕССУАРЫРАСХОДНЫЕ МАТЕРИАЛЫ

Бак топливный

Бачок расширительный

Блок цилиндров двигателя

Вал коленчатый

Валы распределительные, клапаны, гидротолкатели двигателя

Вентилятор с муфтой

Глушитель основной, резонатор двигателя

Головка блока цилиндров двигателя

Двигатель

Коллектор выпускной и нейтрализатор двигателя

Комплект ГРМ (двухрядная цепь)

Контроллер электронной системы управления двигателем

Модуль педали акселератора

Насос топливный, рампа, форсунки двигателя

Насос, термостат системы охлаждения

Подвеска двигателя

Поршни, шатуны двигателя

Привод агрегатов двигателя

Привод газораспределительного механизма двигателя

Радиатор охлаждения

Система вентиляции картерных газов двигателя

Система впуска двигателя

Система зажигания двигателя

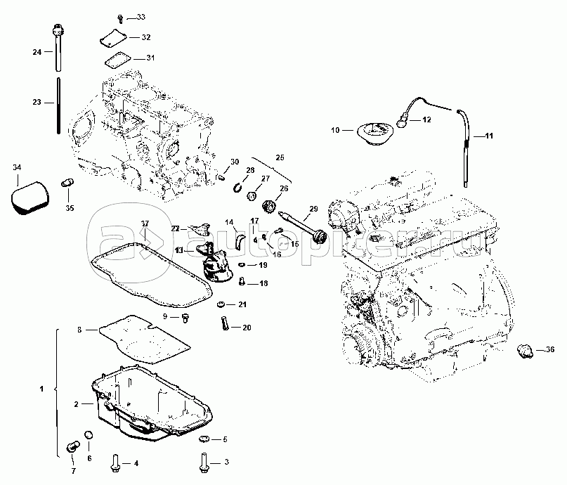
Система смазки двигателя

Система улавливания топливных испарений

Стартер двигателя

Трубопроводы топливные

Фильтр воздушный

Фильтр тонкой очистки топлива

Шкивы двигателя

Щитки радиатора