УАЗ-3962uaz-3962
Поиск деталей
Например: Кузов в сборе, кабина в сборе

Двигатель в сборе

Подвеска двигателя

Блок цилиндров

Головка блока цилиндров с клапанами

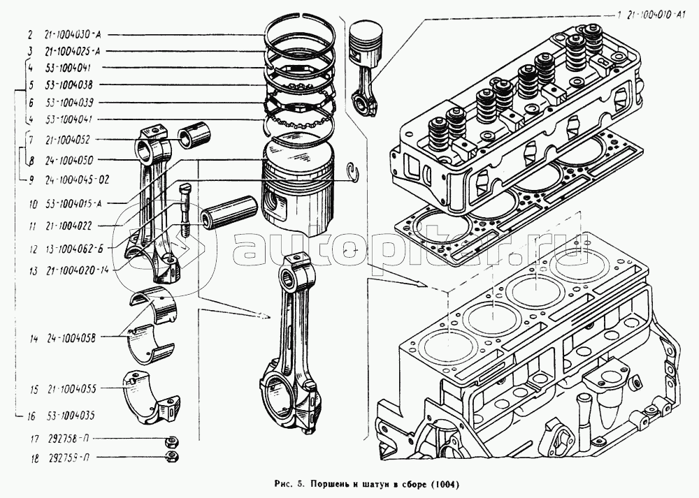
Поршень и шатун в сборе

Вал коленчатый и маховик

Вал распределительный

Клапаны и толкатели

Газопроводы впускной и выпускной

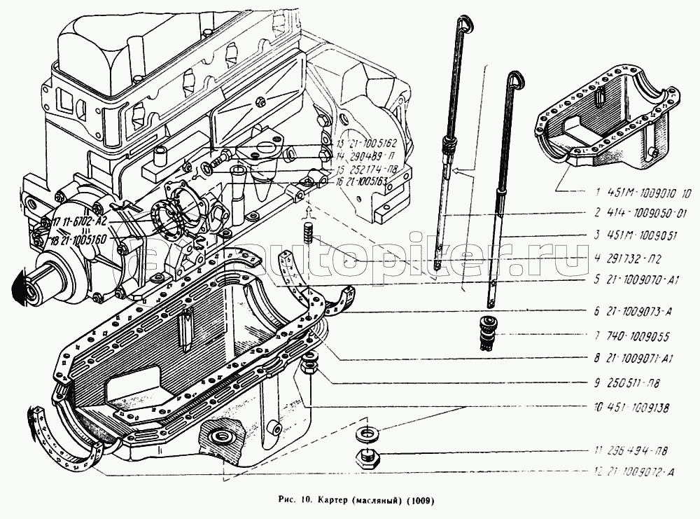
Картер (масляный)

Насос масляный

Фильтр очистки масла, радиатор масляный

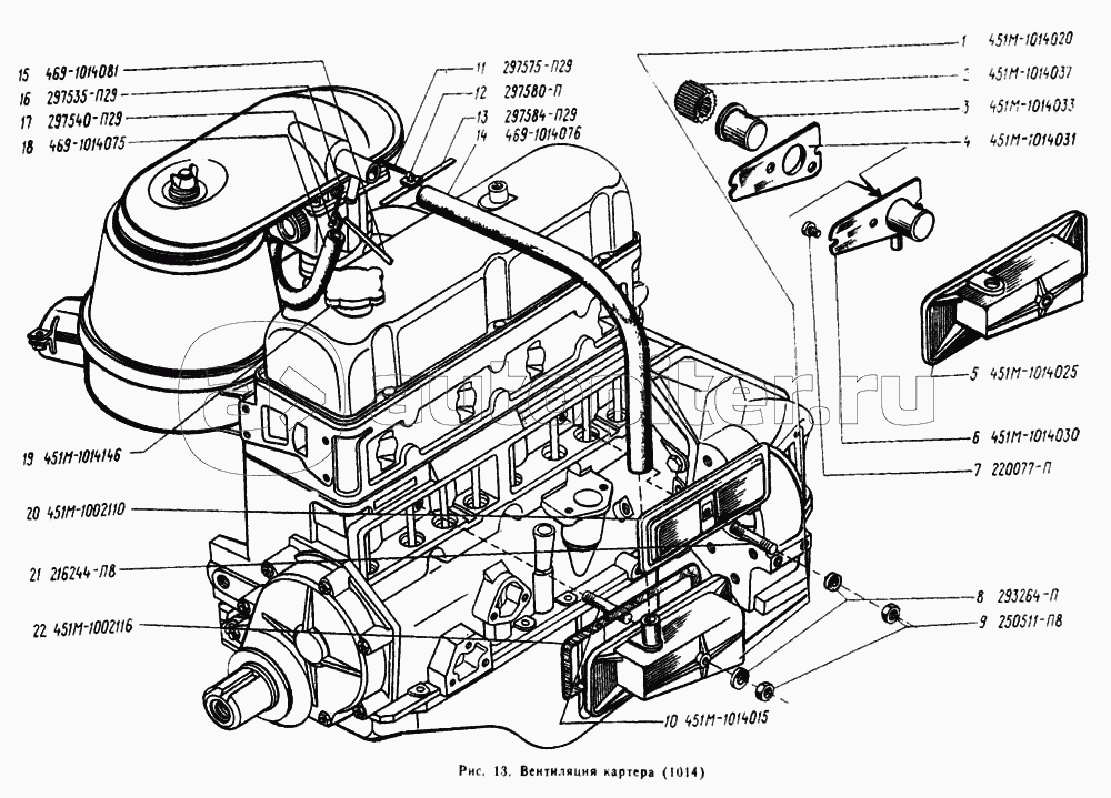
Вентиляция картера

Привод распределителя зажигания