УРАЛ-4320ural-4320-898
Поиск деталей
Например: Подвеска двигателя

Система питания автомобиля Урал-4320

Установка топливных баков и топливопроводов седельного тягача Урал-4420

Насос топливный низкого давления и регулятор скорости

Акселератор и привод управления регулятором

Фильтр воздушный и воздухопровод

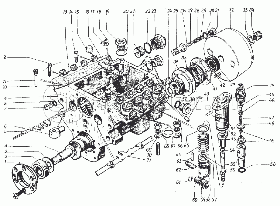
Насос топливный высокого давления

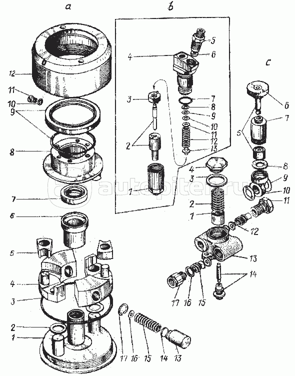
Муфта опережения впрыска (а), форсунка (б), насос ручной подкачки топлива

Фильтр тонкой очистки топлива

Установка электромагнитного клапана и запальных свечей на двигателе