411 DSL411-dsl
Поиск деталей
Например: SECTION DIVIDER - ENGINE 411DSL
Двигатель

SECTION DIVIDER - ENGINE 411DSL

CYLINDER BLOCK

CYLINDER BLOCK - EQUIPMENT

TIMING GEAR HOUSING

FLYWHEEL HOUSING

CRANKSHAFT, PISTONS AND CONNECTING RODS

VALVE MECHANISM

CYLINDER HEAD

CYLINDER HEAD COVER

THERMOSTAT

LUBRICATING OIL SUMP

LUBRICATING OIL PUMP

WATER PUMP

INJECTION PUMP

PUMP

FUEL PIPINGS

INJECTOR

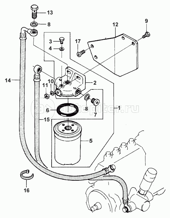
FUEL FILTER

TURBOCHARGER-INLET AND EXHAUST MANIFOLD

BELT TENSIONER

ALTERNATOR

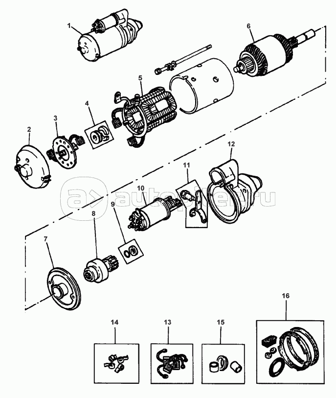
STARTER MOTOR

OIL FILTER