612 DSL612-dsl
Поиск деталей
Например: SECTION DIVIDER - ENGINE 612DSL
ENGINE 612DSL

SECTION DIVIDER - ENGINE 612DSL

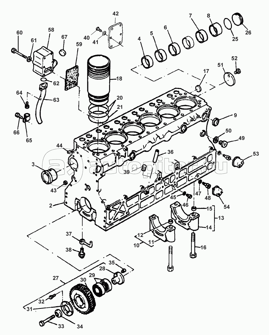
CYLINDER BLOCK

TIMING GEAR HOUSING

FLYWHEEL HOUSING

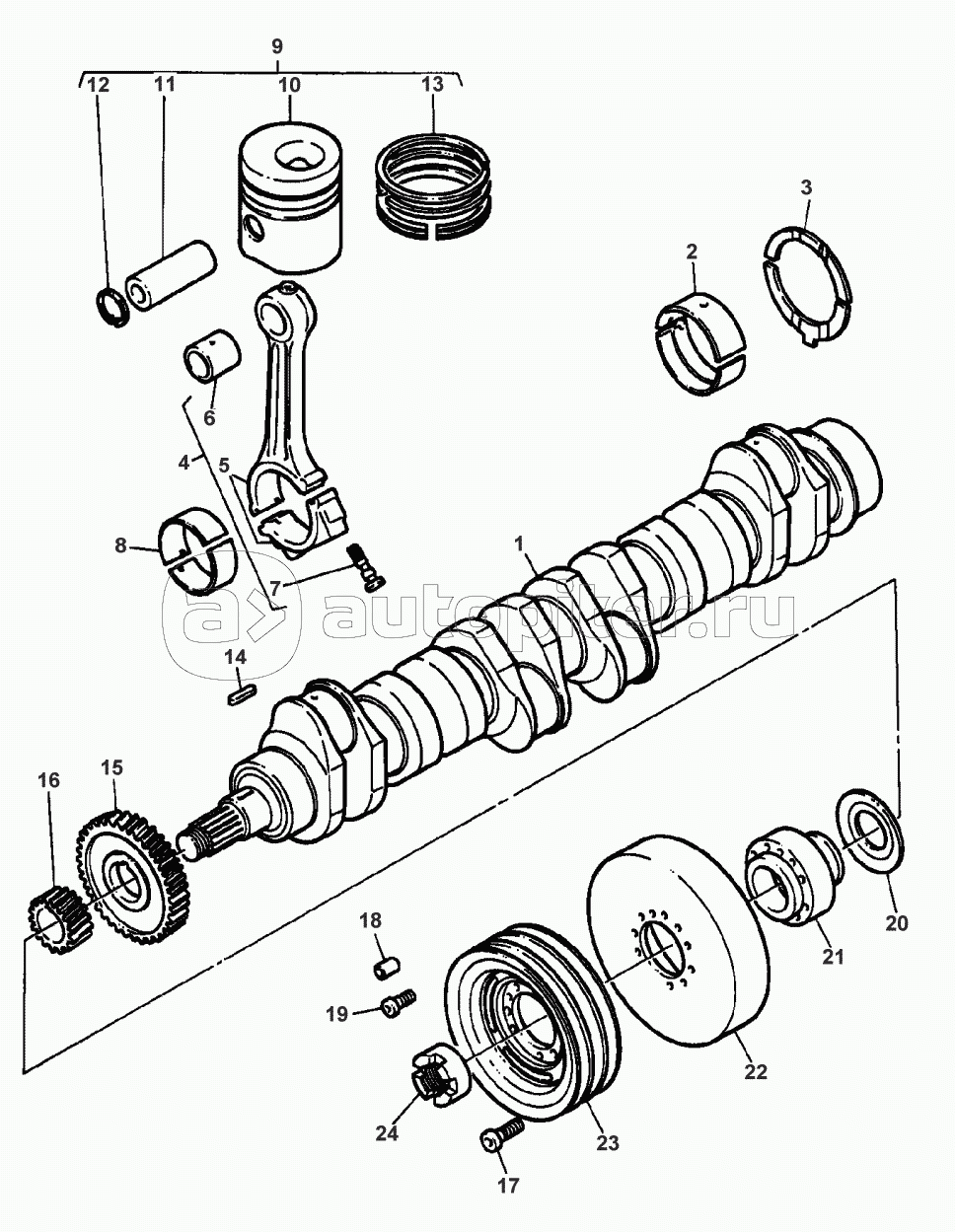
CRANKSHAFT, PISTONS AND CONNECTING RODS

VALVE MECHANISM

VALVE MECHANISM - FROM NO F 11597

CYLINDER HEAD

CYLINDER HEAD COVER

CYLINDER HEAD COVER - FROM NO F 11597

THERMOSTAT

THERMOSTAT- FROM NO D 6826

LUBRICATING OIL SUMP - UP TO NO 97895

LUBRICATING OIL SUMP - FROM NO 97896 - UP TO NO D 5221

LUBRICATING OIL SUMP - FROM NO D 5222

LUBRICATING OIL PUMP

LUBRICATING OIL COOLER

WATER PUMP - UP TO NO D 5221

WATER PUMP - FROM NO D 5222

INJECTION PUMP

INJECTION PUMP

PUMP - UP TO NO 81122

PUMP - FROM NO 81123

FUEL PIPINGS

FUEL PIPINGS - MB 34/36 220 HP

INJECTOR

INJECTOR - MB 34/36 220 HP

FUEL FILTER - UP TO NO D 5221

FUEL FILTER - FROM NO F 11597

FUEL FILTER - FROM NO D 5222

SEDIMENTER - FROM NO D 5222

TURBOCHARGER

TURBOCHARGER

TURBOCHARGER-PIPES

TURBOCHARGER-INLET AND EXHAUST MANIFOLD

TURBOCHARGER-INLET AND EXHAUST MANIFOLD - FROM NO E 7656

DRIVE

BELT TENSIONER

BELT TENSIONER - FROM NO D 5222

BELT TENSIONER - FROM NO F 5248

ALTERNATOR

ALTERNATOR - FROM NO D 6826

STARTER MOTOR

STOP SWITCH

JOINTS AND GASKETS