620 DSL620-dsl
Поиск деталей
Например: SECTION DIVIDER - ENGINE 620DSL
ENGINE 620DSL

SECTION DIVIDER - ENGINE 620DSL

CYLINDER BLOCK

TIMING GEAR HOUSING

FLYWHEEL HOUSING

CRANKSHAFT, PISTONS AND CONNECTING RODS

VALVE MECHANISM - UP TO F 9995

VALVE MECHANISM - FROM NO F 9996

CYLINDER HEAD

LUBRICATING OIL SUMP

LUBRICATING OIL PUMP - UP TO NO H 6737

LUBRICATING OIL PUMP - FROM NO H 6738

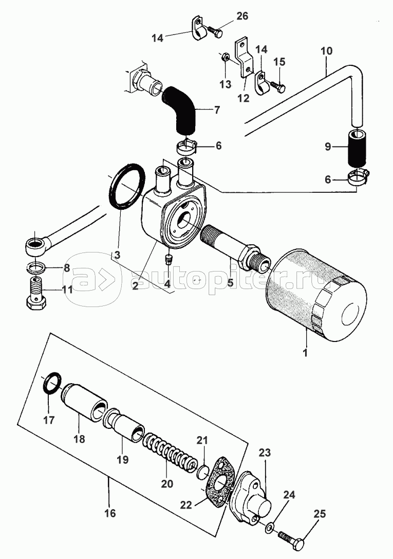
LUBRICATING OIL COOLER

WATER PUMP - UP TO B 4804

WATER PUMP - FROM NO B 4805 - MF 30 ONLY

WATER PUMP - FROM NO B 4805 - MF 32 ONLY

INJECTION PUMP

FUEL PIPINGS

INJECTOR

PUMP

FUEL FILTER - UP TO B 4804

FUEL FILTER - FROM NO B 4805

FUEL FILTER - SEDIMENT BOWL

FUEL FILTER - FROM NO F 9996

TURBOCHARGER-INLET AND EXHAUST MANIFOLD - UP TO SERIAL NUMBER F9995

TURBOCHARGER-INLET AND EXHAUST MANIFOLD - FROM SERIAL NUMBER F9996

TURBOCHARGER-PIPES

TURBOCHARGER

BELT TENSIONER - FROM NO C 6801 UP TO NO F 6175

BELT TENSIONER - FROM NO F 6176

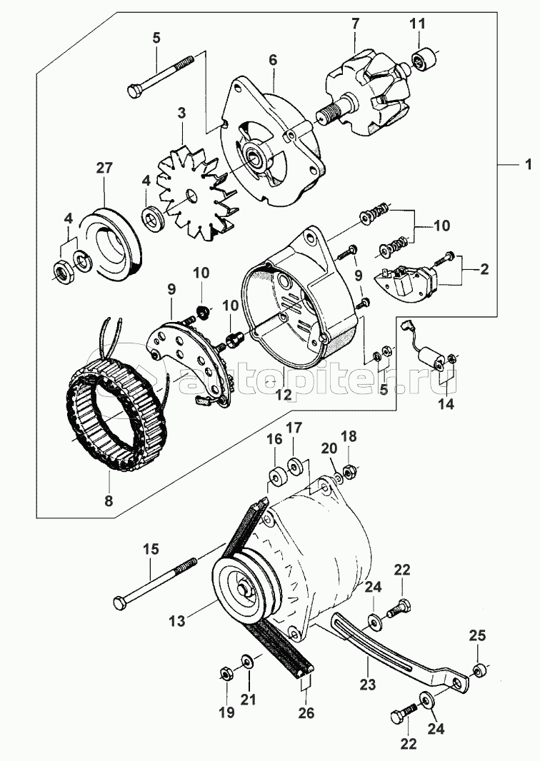
ALTERNATOR - LUCAS A127 - 65 AMP

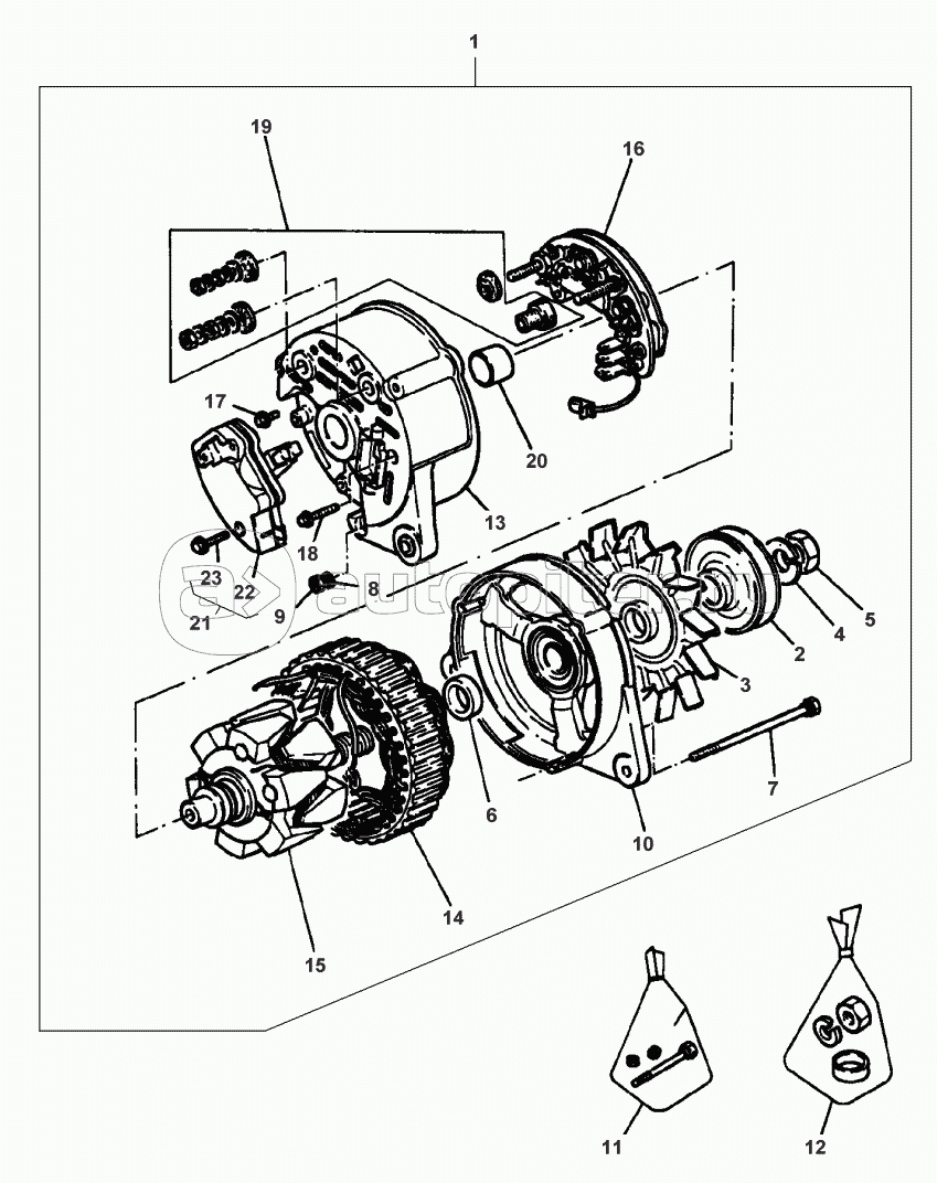
ALTERNATOR - LUCAS A127 - 45 AMP

STARTER MOTOR

JOINTS AND GASKETS

ENGINE REPAIR KITS