Versatile серии GENESISversatile-serii-genesis
Поиск деталей
Например: 07A01a Картер КПП
Трансмиссия и механизм отбора мощностиКабина в сборе и трубчатый каркасПередняя ось и рулевое управлениеСиденье и безопасностьТормозная системаТопливная системаСистема очисткиСистема охлажденияЭлементы системы гидравлического управленияЭлектрическая системаСиловая установкаДетали заднего мостаКолеса, весовые категорииРама, листовой металл, решетка и отделкаСборные элементы

02A01 Педаль тормоза

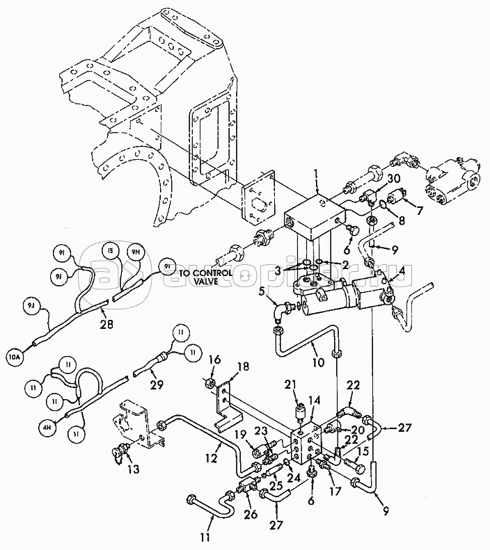
02A02 Трубка тормозная

02A03 Цилиндр тормозной главный

02B01 Тормоз стояночный

02B02 Кронштейн стояночного тормоза

02B03 Рычаг тормозной в сборе

02C01 Клапан тормоза прицепа в сборе

02C02 Трубки и рукава тормоза цилиндра

02C03 Клапан тормоза прицепа

02C04 Тормоз прицепа (только для Италии)

02D02 Шкив компрессора пневматического тормоза

02D03 Комплект для установки компрессора пневматического тормоза

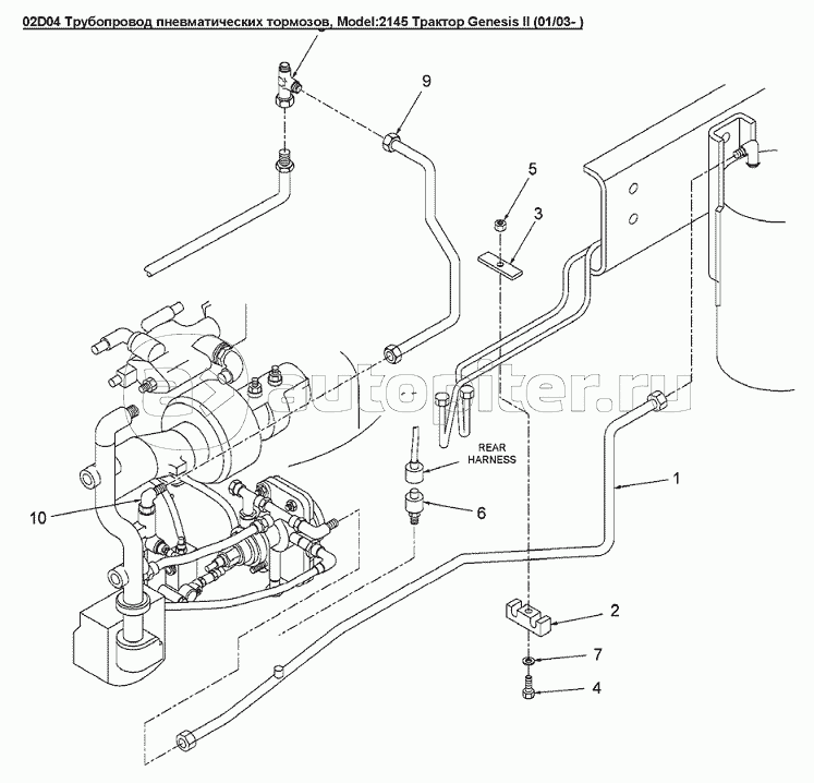
02D04 Трубопровод пневматических тормозов

02D05 Ресивер с клапаном

02D06 Трубка-кожух

02D07 Кронштейн клапана пневматического тормоза

02D08 Компрессор пневматического тормоза

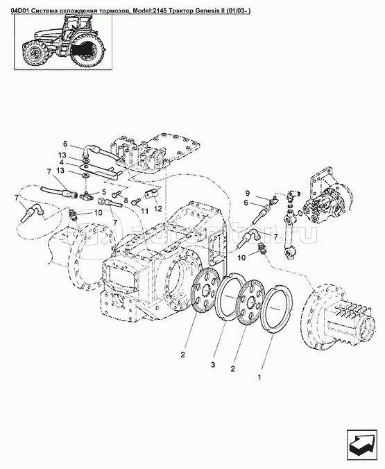
04D01 Система охлаждения тормозов