To content
Помощь по сайту
Новости
zapros.by@autopiter.com
Контакты
Все категории
Каталоги запчастей
Минск
Вход
Корзина
Все категории
Каталоги запчастей
Фильтры Hebel Kraft
Оригинальные каталоги по VIN
Каталог мировых брендов
Запчасти ВАЗ, ГАЗ, КАМАЗ
Запчасти для ТО
Для спецтехники
Запчасти на ВАЗ, ГАЗ, Камаз и т.д.
Воронежсельмаш
НПК-25
НПК-25
npk-25
Поиск деталей
Например:
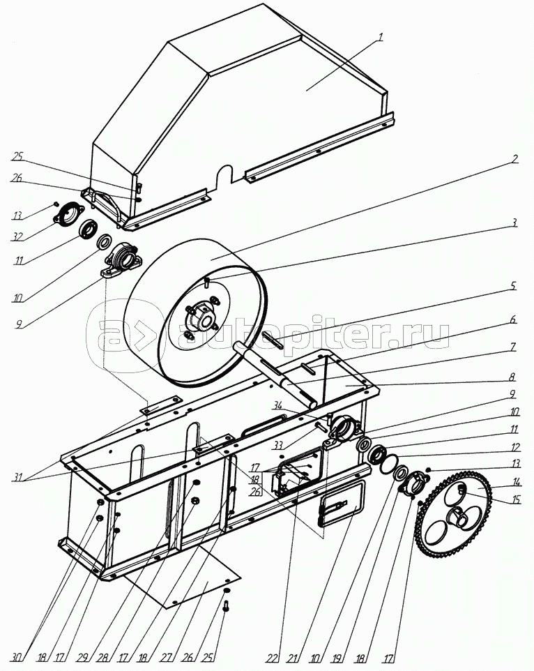
Нория подъёмная круглая НПК-25
Нория подъёмная круглая НПК-25
Нория подъёмная круглая НПК-25
Головка
Головка верхняя
Ограждение
Лента с ковшами
Секция обслуживания
Приспособление натяжное
Бункер
Бункер
Бункер
Бункер
Устройство для открывания и закрывания заслонки
Тяга
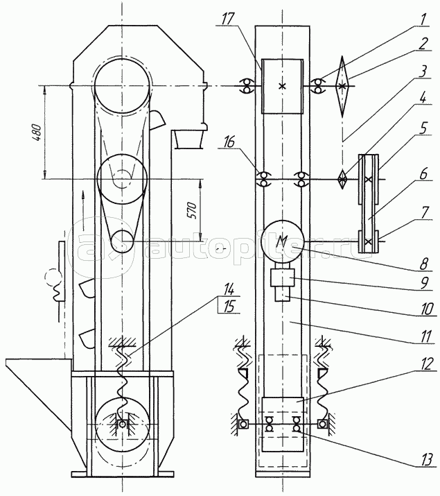
Контр привод
Кинематическая схема