Д-144d-144
Поиск деталей
Например: Остов двигателя

Остов двигателя

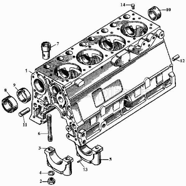
Остов двигателя (картер Д37М-1002010А)

Клапаны и толкатели клапанов

Поршни и шатуны

Вал коленчатый и маховик

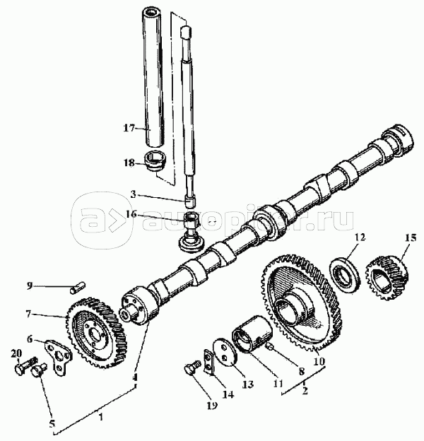
Вал распределительный. Клапаны и толкатели клапанов

Трубопроводы впускной и выпускной

Декомпрессор

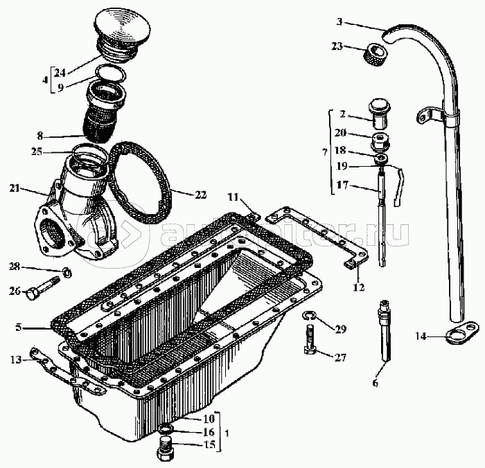
Картер масляный двигателя

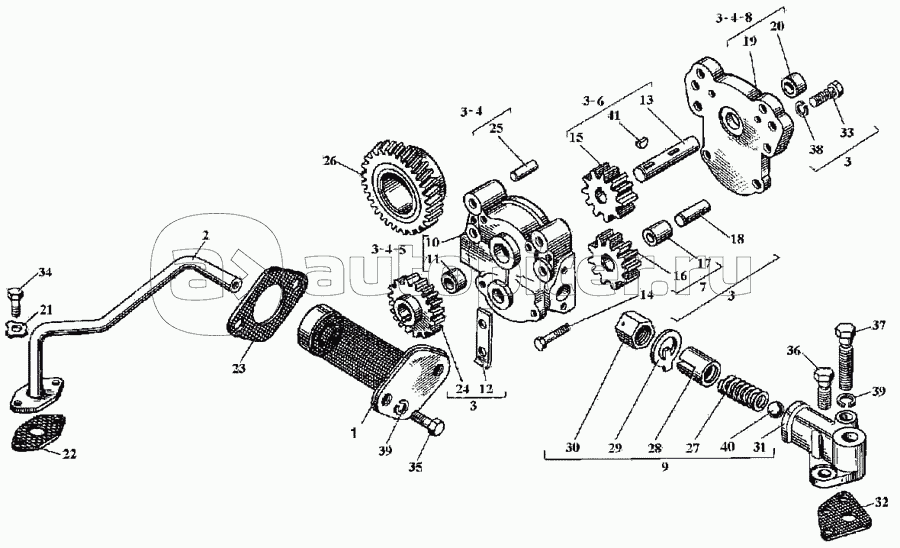
Приемник масляного насоса

Радиатор масляный Д144-1405020-03

Фильтр масляный А54.40.000-01-03

Маслопроводы