WP6G125E22wp6g125e22
Поиск деталей
Например: Cylinder block assembly
Двигатель WP6G125E22Система смазкиСистема питанияСистема охлажденияСистема выпускаЭлектрооборудованиеКоробка раздаточнаяГидронасос

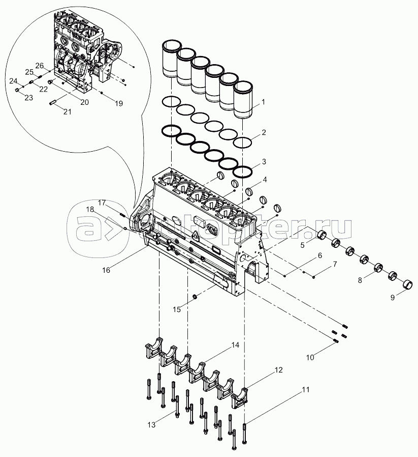
Cylinder block assembly

Cylinder block subassembly

Front wall cover assembly (gear end)

Front wall cover subassembly (gear end)

Intermediate gear

Nozzle assembly

Crankcase ventilation assembly

Hydraulic pump cover assembly

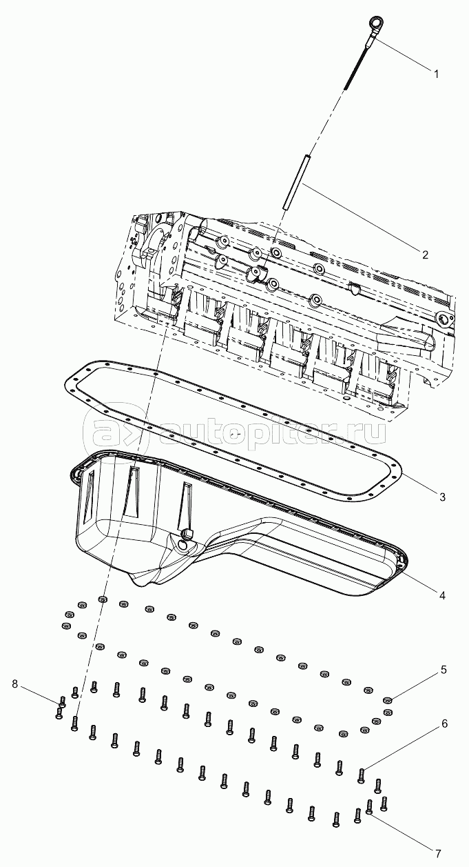
Oil pan assembly

Oil pan sub-assembly

Crankshaft Group

Main Bearing Set

Thrust main bearing bush assembly

Main Bearing Set

Thrust Plate Assembly

Flywheel assembly

Flywheel assembly

V belt pulley assembly with damper

Wheel hub assembly

Piston and Connecting Rod Group

Piston and Connecting Rod Group

Piston assembly

Connecting rod assembly

Connecting Rod Bearing Set

Cylinder head assembly

Cylinder head subassembly

Cylinder head assembly

Rocker arm stand assembly

Rocker subassembly

Cylinder head cover assembly

Camshaft assembly

Valve train assembly