WP7wp7
Поиск деталей
Например: Body binding group
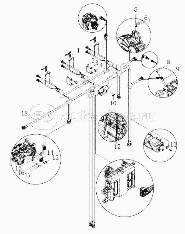
Engine Block GroupCrankshaft GroupPiston and Connecting Rod GroupCylinder head assemblyGas distribution mechanism combination groupRocker shaft assemblyValve Train GroupOil pump assemblyOil cooler assemblyCommon Rail System Combination GroupHigh pressure oil pump combinationInjector combinationHigh-pressure tubing assemblyStarter assemblyEngine hangerFront cover combination groupOil-gas separator combination groupFlywheel assemblyCrankshaft pulley combinationOutlet pipe combination groupWater pump combinationOil filter combinationLow-pressure fuel pipe assemblyElectricalIntake pipe assemblyExhaust pipe combination groupSupercharger combination groupTurbocharger lube oil pipe combinationCompressor pipeline combination groupCompressor combinationHydraulic pump combinationOil pan assemblyEngine bracket combination groupParts box combinationStarter connector assemblyHole diagnostic interface connectorPrimary fuel filter water level sensor connectorVehicle 94-hole connector assemblyConnectorPrimary fuel filterPacking box chassis parts combination groupFuel System ProtectorRandom single shot parts combination groupEngine accessories

