To content
Помощь по сайту
Новости
zapros.by@autopiter.com
Контакты
Страна: Беларусь
Выберите язык
Ru — Русский
En — English
De — Deutsch
Pl — Polski
Все категории
Каталоги запчастей
Минск
Вход
Корзина
Все категории
Каталоги запчастей
Фильтры Hebel Kraft
Оригинальные каталоги по VIN
Каталог мировых брендов
Запчасти ВАЗ, ГАЗ, КАМАЗ
Запчасти для ТО
Для спецтехники
Запчасти на ВАЗ, ГАЗ, Камаз и т.д.
ЗиД
Двигатель 1P57QMJ
Двигатель 1P57QMJ
dvigatel-1p57qmj
Поиск деталей
Например:
Крышка вентилятора и генератор
Двигатель
Крышка вентилятора и генератор
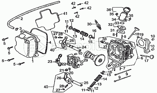
Крышка головки цилиндра и головка цилиндра
Цилиндр, поршень и коленчатый вал
Крышка картера, правая
Двигатель стартера и масляный насос
Картер
Ремень, ведущий и ведомый шкив
Система силовой передачи
Карбюратор
Электрооборудование