ЗИЛ-433110zil-433110
Поиск деталей
Например: Двигатель и его подвеска

Двигатель и его подвеска

Блок цилиндров двигателя, масляный картер, крышки подшипников коленчатого вала, втулки распределительного вала, картер и крышка сцепления

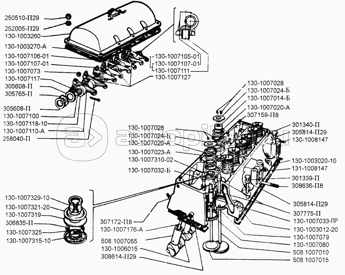
Головка блока цилиндров, клапаны и толкатели

Поршень, шатун, гильза

Коленчатый вал, распределительный вал, маховик, приводы распределителя и топливного насоса

Патрубок вентиляции картера

Маслоприемник и масляный насос

Установка масляных радиаторов

Центробежный фильтр очистки масла (полнопоточная центрифуга)

Впускной газопровод, вентиляция картера, установка маслоналивного патрубка и фильтр вентиляции картера, установка карбюратора и выпускного патрубка водяной рубашки двигателя

Выпускной газопровод