To content
Помощь по сайту
Новости
zapros.by@autopiter.com
Контакты
Все категории
Каталоги запчастей
Минск
Вход
Корзина
Все категории
Каталоги запчастей
Фильтры Hebel Kraft
Оригинальные каталоги по VIN
Каталог мировых брендов
Запчасти ВАЗ, ГАЗ, КАМАЗ
Запчасти для ТО
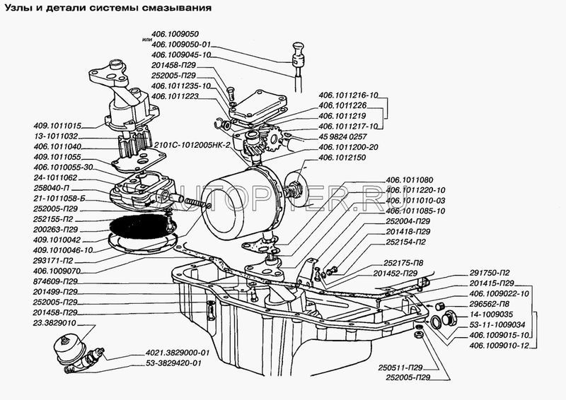
Картер масляный змз-409
35 предложений
Производители:
Bast
Prc
Газ
Запчасть
Змз
Китай
Россия
Саморим
Уаз
Этна
1
2
Змз
409100901001
Картер масляный (поддон) дв.409 (ЗМЗ) Змз
Змз
4091009010
Картер масляный (поддон) УАЗ 409дв.(ЗМЗ) (12114) Змз
Уаз
040900100901001
Картер масляный поддон дв. ЗМЗ-409 УАЗ Уаз
Змз
406241009070
Прокладка поддона ЗМЗ-40904 Змз
Змз
141009035
Пробка поддона дв. ЗМЗ-406,405,409 Змз
Змз
040900100901001
Картер масляный двигателя (поддон) УАЗ дв. ЗМЗ-409 Змз
Змз
296562
Заглушка поддона дв. ЗМЗ-406,405,409 Змз
Этна
141009035
Пробка поддона ЗМЗ-406, 409 Этна
Змз
409101101002
Насос масляный (ЗМЗ-409, 4091, 40911, 40904, 40906 дв.) (ЗМЗ) Змз
Змз
040900101101002
Насос масляный ЗМЗ-409,4091,40911,40904,40906 (ОАО ЗМЗ) Змз
Змз
14009035
Пробка поддона ЗМЗ-406,405,409, Евро-2 сливная Змз
Змз
406100903511
ЕВРО-3 ПРОБКА ПОДДОНА ДВ.40524,40525,40904 (ЗМЗ) Змз
Уаз
409101101002
Насос масляный ЗМЗ-409, Насос масляный ЗМЗ-409 Уаз
Змз
4090511009035
Пробка поддона двигателя 409051 zmz pro (сливная) змз ЗМЗ 4090511009035 Змз
Змз
4061009070
Прокладка поддона (пробка) дв.ЗМЗ 406, 409, 514 ГАЗ, УАЗ Змз
Змз
040600100907000
Прокладка поддона ДВ-406, 409, 514 (ЗМЗ ОРИГИНАЛ) Змз
Россия
4061009035
Пробка поддона ЗМЗ 405/406/409 Россия
Змз
4061009034
Прокладка сливной пробки дв.405,406,409,4091 поддона двигателя (ЗМЗ) Змз
Змз
461009034
Прокладка сливной пробки дв.405,406,409,4091 поддона двигателя ЗМЗ Змз
Запчасть
405241009035
Пробка поддона ЗМЗ-406, 409 нов/обр Запчасть
Уаз
040624100907000
Прокладка масляного картера (поддона) ,УАЗ ЗМЗ (40524/406/40904) Евро-3 Уаз
Уаз
040600100907000
Прокладка поддона для а/м ГАЗ, УАЗ с дв. ЗМЗ 406, 409 "УАЗ" Уаз
Россия
4061009070
Прокладка масляного картера (поддона) для а/м ГАЗ дв.ЗМЗ-406, 409 (картон) Россия
Газ
409101101002
Насос масляный ЗМЗ-409 (ЗМЗ) Газ
Змз
00409001009010001
Картер масляный УАЗ ЗМЗ-409 ЗМЗ Змз
Саморим
4061009070
Прокладка поддона ЗМЗ-406,409(пробка) Саморим
Bast
BC8484009
Прокладка поддона Г-3302 ЗМЗ-405, 409 Евро-3 Bast
Змз
10707
Насос масляный ГАЗ дв.409 (ЗМЗ) Змз
Змз
4091009010130
Картер масляный ЗМЗ 409 Змз
Россия
409100901001
Поддон картера 409 дв. (ЗМЗ) Россия
1
2
Часто ищут
картер масляный змз-409
картер масляный 406 змз
картер масляный змз-406
картер масляный (поддон) дв.змз-402
поддон картер масляный газель волга дв. змз-402
ремкомплект пробки масляного картера змз-402
пробка масляного картера 402
картер масляный ямз 534
картер ямз-536 масляный
масляный картер ямз 236
масляный картер ямз 238
поддон картер масляный ваз
картер ямз масляный урал
опора масляного картера д-245
поддон масляного картера 2108
картер масляный cummins 2.8
насос масляный змз-409
масляный насос змз 409
масляный насос змз-409
картер д37м-1401010б масляный т-40
Рекомендуем