КЗС-2124КРkzs-2124kr
Поиск деталей
Комбайн КЗС-2124КРМолотилка самоходная КЗК-2124-0100000Камера наклоннаяОчисткаЭлеватор колосовойСоломосепараторШассиАппарат молотильныйМост ведущих колесКоробка передачМост управляемых колесУстановка двигателяДвигательБункерСоломоизмельчительПоловоразбрасывательКабинаПлощадка управленияЭлектрооборудование кабиныУстановка тормозных трубопроводовУстановка климатическаяУстановка капотов и огражденийРамаГидросистемаПневмогидроаккумуляторГидросистема низкого давленияПневмосистемаЭлектрооборудование молотилкиПанель модулей и датчики

Очистка КЗК-2124-0202000 (лист 1)

Очистка КЗК-2124-0202000 (лист 2)

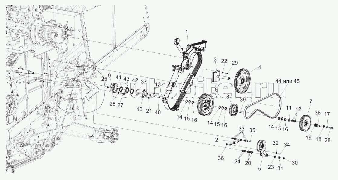
Очистка. Установка привода главного контрпривода КЗК-2124-0220000

Очистка. Установка шкивов КЗК-14-0202170 и КЗК-14-0290460

Очистка. Установка шкива обводного КЗК-14-0202190

Очистка. Установка стана решётного верхнего КЗК-14-0260000А (лист 1)

Очистка. Установка стана решётного верхнего КЗК-14-0260000А (лист 2)

Очистка. Установка доски стрясной КЗК-14-0280000

Очистка. Установка стана решетного нижнего КЗК-14-0240000А

Очистка. Установка вариатора КЗК-1420-0108010

Стяжка КЗК-1420-0202090 и рычаг КЗК-14-0202230

Рычаг КЗК-1420-0202260 и шкив обводной КЗК-14-0202190

Привод вариатора КЗК-14-0202400

Установка привода вентилятора КЗК-1420-0202450

Контрпривод вариатора КЗК-1420-0202500

Вариатор КЗК-1420-0108010

Электромеханизм КЗК-1420-0701080

Электромеханизм подбарабанья КЗК-10-0701400

Установка механизма удерживания КЗК-16-1-0202210

Рычаг КЗК-14-0202200