KЗС-812kzs-812-2556
Поиск деталей
Молотилка самоходная КЗК-8К-0100000-01Камера наклоннаяОчисткаАппарат молотильныйШассиЭлеватор зерновойУстановка копнителяУстановка двигателяКабинаПлощадка управленияГидросистема привода ходовой частиГидросистема рулевого управления и силовых гидроцилиндровЭлектрооборудование молотилки
/157.gif)
Установка двигателя КЗК-8А-2-0106000
/158.gif)
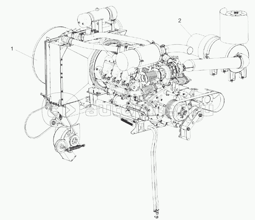
Установка двигателя ЯМЗ-236 НЕ 2-47 КЗК-8А-2-0106010 (лист 1)
/159.gif)
Установка двигателя ЯМЗ-236 НЕ 2-47 КЗК-8А-2-0106010 (лист 2)
/160.gif)
Установка главного привода КЗК-8А-2-0106030
/161.gif)
Главный привод КЗК-8А-2-0106270
/162.gif)
Установка блока радиаторов КЗК-8А-2-0106040
/163.gif)
Блок радиаторов КЗК-8А-2-0106050
/164.gif)
Воздухозаборник КЗК-8А-0112000 (лист 1)
/165.gif)
Воздухозаборник КЗК-8А-0112000 (лист 2)
/166.gif)
Воздухозаборник КЗК-8А-0112000 (лист 3)
/167.gif)
Контрпривод КЗК 0112080А
/168.gif)
Рычаг КЗК 0112180А
/169.gif)
Рычаг КЗК 0112210А
/170.gif)
Экран вращающийся КЗК-8А-0112020
/171.gif)
Пружины КЗС 0131210 и КЗС 0131210-01
/172.gif)
Установка глушителя КЗК-8А-2-0106060
/173.gif)
Установка бачка расширительного КЗК-8А-2-0106070
/174.gif)
Установка сливных рукавов КЗК-8А-2-0106300
/175.gif)
Привод гидронасоса КЗК-8А-2-0222500
/176.gif)
Установка воздухоочистителя КЗК-8А-2-0106080
/177.gif)
Воздухозаборник вращающийся КЗК-12-3-0126420
/178.gif)
Электрооборудование установки двигателя
/179.gif)
Установка вентилятора КЗК-8А-0112100
/180.gif)
Вентилятор КЗК-8А-0112070
/181.gif)
Привод главного контрпривода КЗК 0220000А
/182.gif)
Привод насоса ходовой части КЗК-8А-2-0222000
/183.gif)
Муфта КЗК 0222100
/184.gif)
Установка бака топливного КЗК-8А-2-0126000 (лист 1)
/185.gif)
Установка бака топливного КЗК-8А-2-0126000 (лист 2)