KЗС-812kzs-812-2556
Поиск деталей
Молотилка самоходная КЗК-8К-0100000-01Камера наклоннаяОчисткаАппарат молотильныйШассиЭлеватор зерновойУстановка копнителяУстановка двигателяКабинаПлощадка управленияГидросистема привода ходовой частиГидросистема рулевого управления и силовых гидроцилиндровЭлектрооборудование молотилки
/37.gif)
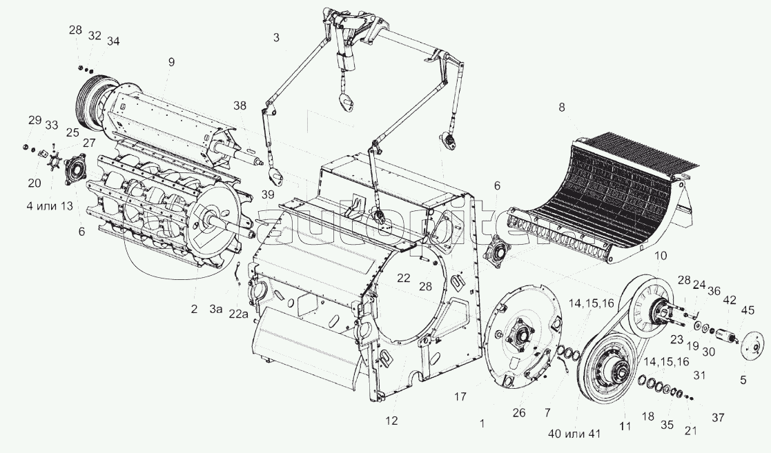
Аппарат молотильный КЗК-8А-0102000 (лист 1)
/38.gif)
Аппарат молотильный КЗК-8А-0102000 (лист 2)
/39.gif)
Маслопровод КЗК-7-0102360
/40.gif)
Фланец КЗК-8А-0102750
/41.gif)
Барабан молотильный КЗК-8А-0104000
/42.gif)
Механизм подъема подбарабанья КЗК-8А-0115000
/43.gif)
Механизм подъема подбарабанья КЗК-8А-0115000 (установка электромеханизма)
/44.gif)
Опора КЗК 0102350
/45.gif)
Подбарабанье КЗК 0103000
/46.gif)
Подбарабанье КЗК 0103010
/47.gif)
Битер отбойный КЗК 0105000
/48.gif)
Вариатор барабана КЗК 0108000
/49.gif)
Вариатор барабана КЗК 0123000
/50.gif)
Боковина левая КЗК-8К-0202050
/51.gif)
Боковина правая КЗК-8К-0202060
/52.gif)
Соломотряс КЗК-8А-0212000
/53.gif)
Вал коленчатый ведущий КЗК-8А-0212010
/54.gif)
Вал коленчатый ведомый КЗК 0212020А
/55.gif)
Рычаг КЗР 0202160Г
/56.gif)
Рычаг КЗК 0202400В
/57.gif)
Рычаг КЗК 0202420Б
/58.gif)
Рычаг КЗК 0202440В
/59.gif)
Муфта фрикционная КЗК 0219020Б-01
/60.gif)
Устройство домолачивающее КЗК 0207000В
/61.gif)
Элеватор колосовой КЗК 0208000А-02
/62.gif)
Стан решетный верхний КЗК 0260000Б-01
/63.gif)
Доска стрясная КЗК 0280000А
/64.gif)
Контрпривод вариатора КЗК-7-0202500Б
/65.gif)
Шкив КЗК-8К-0202030
/66.gif)
Пружина КЗК-8К-0202250
/67.gif)
Рычаг КЗК-8К-0202260
/68.gif)
Пружина КЗК 0202840А
/69.gif)
Тяги КЗК-8-0100560 и КЗК-10-0100560