УЭС-2-280А ПАЛЕССЕ 2U280Аues-2-280a-palesse-2u280a
Поиск деталей
Например: Установка навески (кормоуборка)
Оборудование рабочееТрансмиссияКабинаДвигательГидросистемаПневмосистемаУстановка электрооборудованияПриложение

Установка двигателя ЯМЗ-238БК-3 УЭС-6-0400000

Двигатель УЭС-6-0400010 (вид слева)

Двигатель УЭС-6-0400010 (вид спереди)

Двигатель УЭС-6-0400010 (вид сзади)

Главный привод УЭС-6-0400030

Проставка УЭС-6-0400040

Маслопровод УЭС-6-0400110

Маслопровод сливной УЭС-6-0400120

Рычаг УЭС-6-0400450

Компрессор УЭС-7-0200480

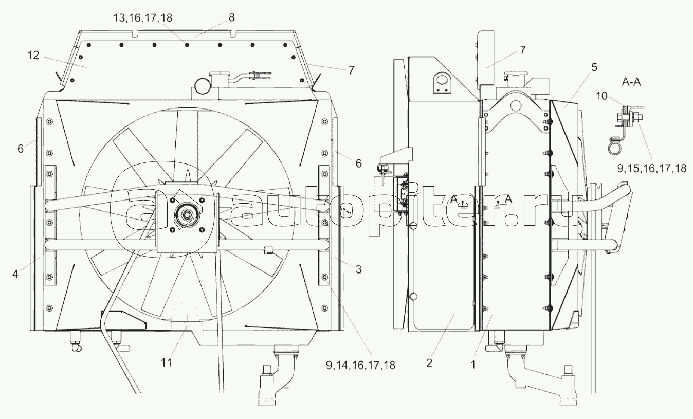
Радиатор УЭС-6-0400140

Радиатор УЭС-6-0400160

Воздухозаборник УЭС-6-1-0400100

Пылесъемник КЗК-12-3-0112130А

Привод вентилятора УЭС-6-0400800

Установка электрооборудования двигателя УЭС-6-1-0726000