To content
Помощь по сайту
Новости
zapros.by@autopiter.com
Контакты
Страна: Беларусь
Выберите язык
Ru — Русский
En — English
De — Deutsch
Pl — Polski
Все категории
Каталоги запчастей
Минск
Вход
Корзина
Все категории
Каталоги запчастей
Фильтры Hebel Kraft
Оригинальные каталоги по VIN
Каталог мировых брендов
Запчасти ВАЗ, ГАЗ, КАМАЗ
Запчасти для ТО
Для спецтехники
Запчасти на ВАЗ, ГАЗ, Камаз и т.д.
ММЗ
Д-265
Д-265
d-265
Поиск деталей
Например:
Подвеска и блок цилиндров
Двигатель
Двигатель
Система питания
Система охлаждения
Механизмы управления
Управление рулевое
Тормоза
Электрооборудование
Электрооборудование
Топливные трубопроводы и установка топливной аппаратуры
Маслопроводы турбокомпрессора
Топливный насос
Регулятор топливного насоса
Корректор по наддуву
Подкачивающий насос
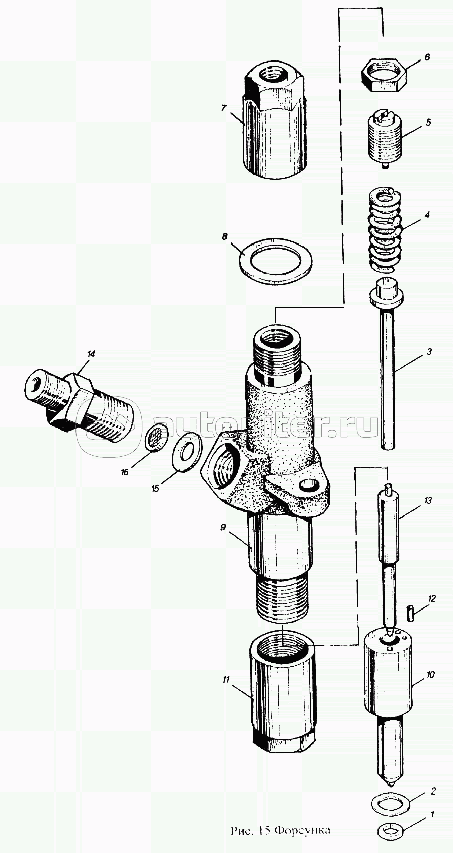
Форсунки
Фильтр топливный грубой очистки
Фильтр топливный тонкой очистки