Д-265d-265
Поиск деталей
Например: Подвеска и блок цилиндров

Подвеска и блок цилиндров

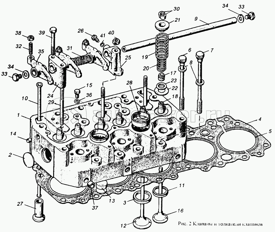
Клапаны и толкатели клапанов

Крышки головок цилиндров, коллектор и сапуны

Коленчатый вал и маховик

Распределительный механизм

Газопровод дизеля

Установка охладителя наддувочного воздуха

Масляный картер и маслозаливная горловина

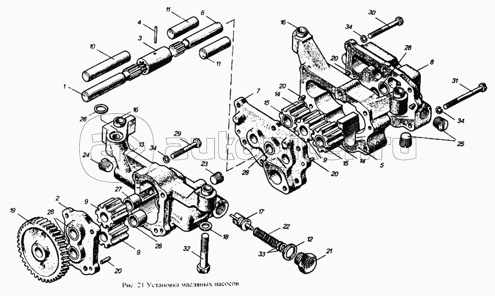
Установка масляных насосов

Установка маслопроводов

Теплообменник

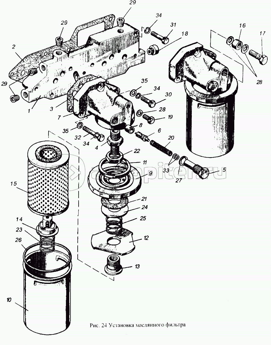
Установка масляного фильтра