To content
Помощь по сайту
Новости
zapros.by@autopiter.com
Контакты
Все категории
Каталоги запчастей
Минск
Вход
Корзина
Все категории
Каталоги запчастей
Фильтры Hebel Kraft
Оригинальные каталоги по VIN
Каталог мировых брендов
Запчасти ВАЗ, ГАЗ, КАМАЗ
Запчасти для ТО
Для спецтехники
Запчасти на ВАЗ, ГАЗ, Камаз и т.д.
МЗКТ
МЗКТ-8006
МЗКТ-8006
mzkt-8006
Поиск деталей
Например:
Подвеска кабины
Кузов
Кузов
Двери
Сидения
Вентиляция и отопление
Капот, крылья, облицовка радиатора (оперение)
Двигатель
Двигатель
Система питания
Система выпуска отработанных газов
Система охлаждения
Трансмиссия
Сцепление
Коробка передач
Раздаточная коробка
Карданная передача
Мост задний
Мост средний
Ходовая часть
Рама
Подвеска
Ось передняя
Колеса
Механизмы управления
Управление рулевое
Тормоза
Электрооборудование
Электрооборудование
Приборы и датчики
Принадлежности
Инструмент и принадлежности
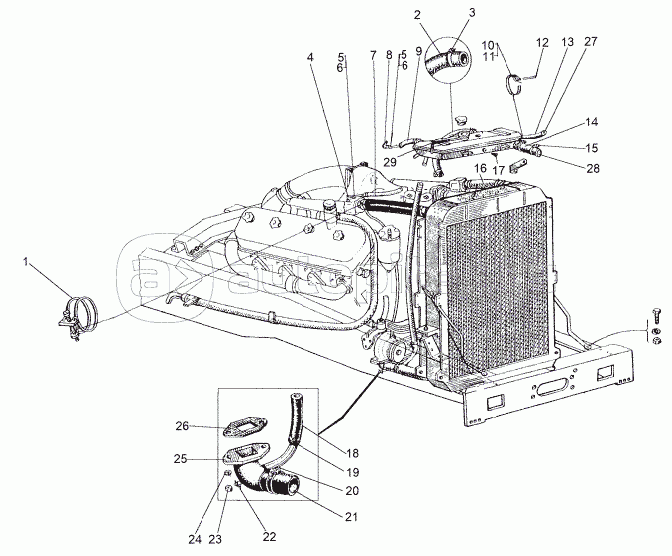
Установка радиатора
Радиатор в состоянии установки
Радиатор с кожухом 64229-1301009
Радиатор с кожухом 64229-1301009-01
Шторка радиатора
Установка труб охлаждения двигателя
Установка привода шторки