МЗКТ-8006mzkt-8006
Поиск деталей
Например: Подвеска кабины

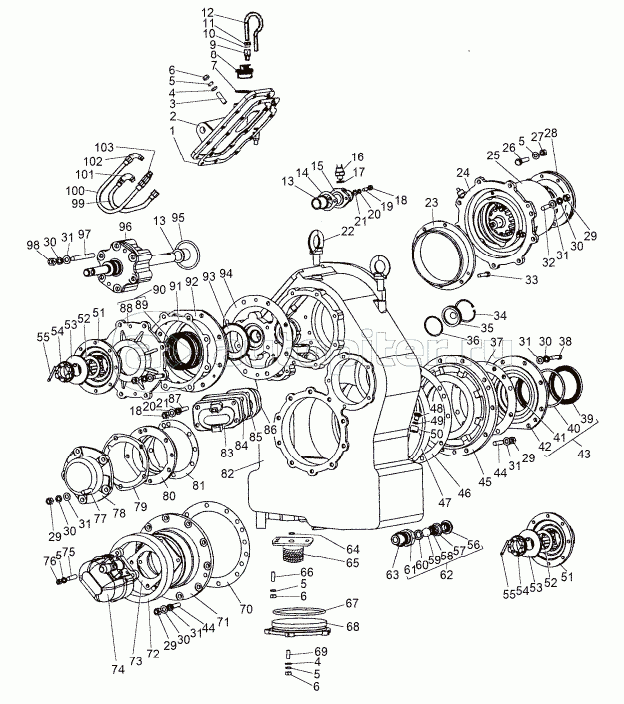
Установка раздаточной коробки 8006-1800008

Картер и детали раздаточной коробки

Валы и шестерни раздаточной коробки

Привод масляного насоса раздаточной коробки

Пневмопереключатель 8006-1803100

Механизм отключения карданного вала 6923-1810010

Установка управления раздаточной коробки 8006-1800027 ( для шасси выпуска до 06.2000 г.)

Клапан электромагнитный 7917-1723010 ( для шасси выпуска до 06.2000 г.)

Установка управления раздаточной коробки 8006-1800027-10 ( для шасси выпуска после 06.2000 г.)