To content
Помощь по сайту
Новости
zapros.by@autopiter.com
Контакты
Все категории
Каталоги запчастей
Минск
Вход
Корзина
Все категории
Каталоги запчастей
Фильтры Hebel Kraft
Оригинальные каталоги по VIN
Каталог мировых брендов
Запчасти ВАЗ, ГАЗ, КАМАЗ
Запчасти для ТО
Для спецтехники
Запчасти на ВАЗ, ГАЗ, Камаз и т.д.
РСМ
Дон (общий каталог)
Дон (общий каталог)
don-obshhij-katalog
Поиск деталей
Например:
Кабина (1500Б, 1200Б)
Кабина
Кабина
Дизель СМД-31А (комплектуются 1500Б, 1500А)
Двигатель
Система питания
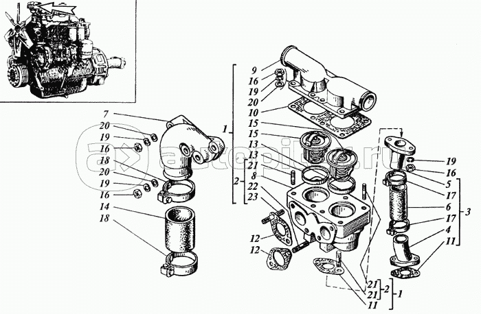
Система выпуска отработанных газов
Система охлаждения
Электрооборудование
Дополнительное оборудование
Инструмент и принадлежности
Дизель СМД-23 (комплектуются 1200Б, 1200)
Двигатель
Система питания
Система выпуска отработанных газов
Система охлаждения
Электрооборудование
Дополнительное оборудование
Инструмент и принадлежности
Дизель ЯМЗ-238АК (комплектуются 1500Б)
Двигатель
Система питания
Система охлаждения
Электрооборудование
Дополнительное оборудование
Инструмент и принадлежности
Дизель Д-461/51 (комплектуются 1500Б)
Двигатель
Система питания
Система охлаждения
Система выпуска отработанных газов
Электрооборудование
Дополнительное оборудование
Инструмент и принадлежности
Моторно-силовая установка
Моторно-силовая установка
Ходовая часть
Шасси
Мост ведущий
Мост управляемых колес
Платформа-подборщик (ширина захвата 3,4 или 2,75 м)
Платформа-подборщик
Жатвенная часть (ширина захвата жатки 6)
Жатка
Наклонная камера
Тележка для транспортировки жатки
Молотилка
Молотилка
Очистка
Очистка
Бункер
Бункер
Копнитель
Копнитель
Измельчитель
Измельчитель
Гидрооборудование
Гидрооборудование
Электрооборудование
Электрооборудование
Принадлежности
Инструмент и принадлежности
Приложения
Общий вид
Схемы передач
Подшипники
Приложение
Насос водяной и вентилятор
Ролик натяжной
Установка термостата