Дон (общий каталог)don-obshhij-katalog
Поиск деталей
Например: Кабина (1500Б, 1200Б)
Гидрооборудование

Гидрооборудование комбайна с уст. двигателей СМД-31А и СМД-23 (1500Б, 1200Б)

Гидрооборудавание комбайна (1500Б, 1200Б)

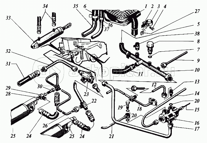
Гидрооборудавание комбайна "Дон 1500А"

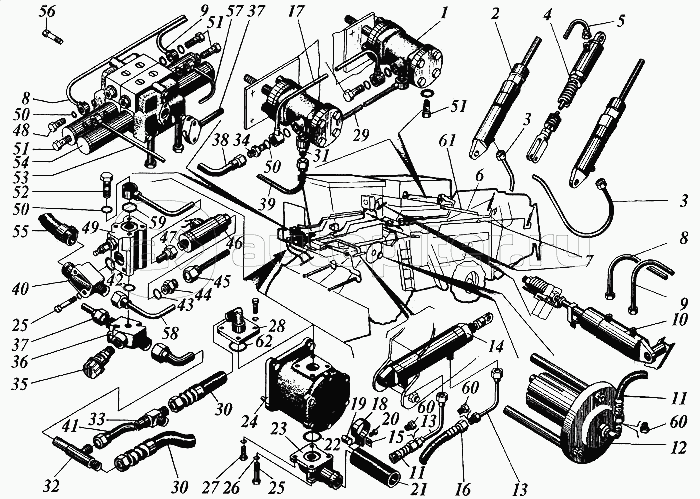
Оборудование основной гидросистемы (1500Б, 1200Б)

Гидрооборудование (1500Б, 1200Б)

Гидростатическая трансмиссия (1500Б, 1200Б)

Гидробак (1500Б, 1200Б)

Гидрооборудование ходовой части (1500Б, 1200Б)

Гидрооборудование ходовой части (1500А)

Гидрооборудование комбайна с установкой двигателя ЯМЗ-238АК (1500Б, 1200Б)

Гидрооборудование комбайна с установкой двигателя ЯМЗ-238АК (1500Б, 1200Б)

Оборудование основной гидросистемы с уст. двигателя ЯМЗ-238АК (1500Б, 1200Б)

Оборудование ходовой части с установкой двигателя ЯМЗ-238АК (1500Б, 1200Б)

Гидрораспределитель (для комбайнов с измельчителем) (1500Б, 1200Б)

Усилитель потока (1500А)

Гидрораспределитель (1500Б, 1200Б)

Распределитель (1500Б, 1200Б)

Насос шестеренный (1500Б, 1200Б)

Клапан напорный (1500Б, 1200Б)

Гидроклапан с электромагнитным управлением (1500Б, 1200Б)

Клапан дросселирующий настраиваемый (1500Б, 1200Б)

Клапан-сигнализатор (1500Б, 1200Б)

Гидроцилиндр вариатора барабана (1500Б, 1200Б)

Гидроцилиндр (1500Б, 1200Б)

Гидроцилиндр (1500Б, 1200Б)

Гидроцилиндр горизонтального перемещения мотовила (1500Б, 1200Б)

Гидроцилиндр горизонтального перемещения мотовила (1500Б, 1200Б)

Гидроцилиндр (1500Б, 1200Б)

Гидроцилиндр (1500Б, 1200Б)

Гидроцилиндр (1500Б, 1200Б)

Гидроцилиндр подъема мотовила (1500Б, 1200Б)

Гидроцилиндр (1500Б, 1200Б)

Гидроцилиндр (1500Б, 1200Б)

Гидроцилиндр поворота выгрузного шнека (1500Б, 1200Б)

Гидрооборудование комбайна с установкой двигателя Д-451/61 (1500Б, 1200Б)

Оборудование ходовой части с установкой двигателя Д-451/61 (1500Б, 1200Б)