LG953lg953-2297
Поиск деталей
ENGINE SYSTEMGOVERNOR CONTROL SYSTEMPARKING CONTROL SYSTEMTORQUE CONVERTER SYSTEMTRANSMISSION SYSTEMAXLE SYSTEMHYDRAULIC SYSTEMFRAMECAB GROUPELECTRIC SYSTEMWORKING EQUIPMENT
/31.gif)
LG9530L1-9 CAB GROUP
/32.gif)
LG9530L2 CAB INTERIOR DECORATION
/33.gif)
LG9530L3 SEAT ASSEMBLY
/34.gif)
LG9530M1 HOOD OF DIESEL ENGINE ASSEMBLY
/35.gif)
LG9530M2 LEFT BENCH GROUP
/36.gif)
LG9530M3 RIGHT BENCH GROUP
/37.gif)
LG9530M4 REAR STEERING LAMP HOOD
/38.gif)
LG9530M5 LEFT BATTERY CASE
/39.gif)
LG9530M6 RIGHT BATTERY CASE
/40.gif)
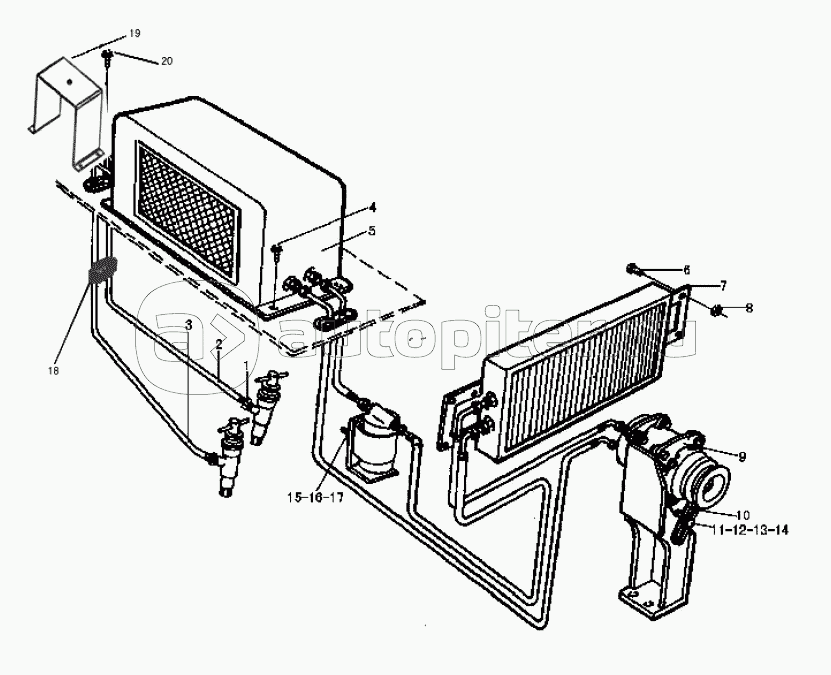
LG9530N1 AIR CONDITIONER SYSTEM
/41.gif)
LG9530N2 WARMING MACHING