RT-100rt-100
Поиск деталей
Например: Remarks
REMARKSRT551 ROUGH TERRAIN CRANEENGINE AND TRANSMISSIONFRONT AND REAR AXLEWHEEL AND RIMSTEERING SYSTEMTOOLBOX AND PLATFORMELECTRICAL SYSTEM (HIRSCHMANN)CENTRE REVOLVING JOINTHYDRAULICCHASSIS FRAME VALVE INSTALLATIONTURNTABLE VALVE INSTALLATIONSLEWING VALVESCHEMATIC DIAGRAM-HYDRAULICSWING SYSTEMWINCH MECHANISMDRIVER'S CAB

OUTRIGGER CONTROL VALVE BLOCK INSTALLATION

FLUID FILLING VALVE INSTALLATION

BRAKE VALVE ASSY INSTALLATION

ACCUMULATOR INSTALLATION

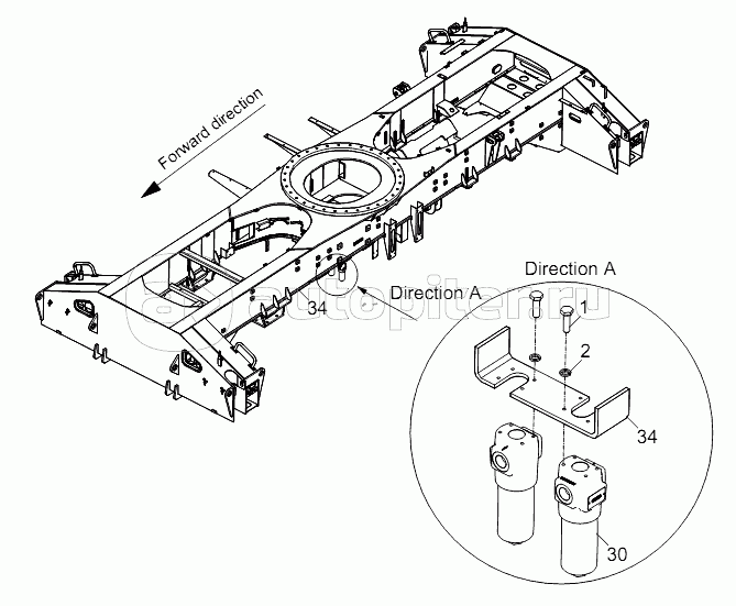
HIGH-PRESSURE OIL FILTER INSTALLATION

RELIEF CONTROL VALVE BLOCK INSTALLATION

STEERING CONTROL VALVE BLOCK INSTALLATION

2-WHEEL / 4-WHEEL DRIVE CHANGEOVER VALVE INSTALLATION

LOCKING SOLENOID VALVE INSTALLATION

RELIEF CONTROL VALVE BLOCK

STEERING CONTROL VALVE BLOCK

OUTRIGGER CONTROL VALVE BLOCK

2-WHEEL / 4-WHEEL DRIVE CHANGEOVER VALVE

LOCKING SOLENOID VALVE

OUTRIGGER HYDRAULIC LOCK INSTALLATION