RT-100rt-100
Поиск деталей
Например: Remarks
REMARKSRT551 ROUGH TERRAIN CRANEENGINE AND TRANSMISSIONFRONT AND REAR AXLEWHEEL AND RIMSTEERING SYSTEMTOOLBOX AND PLATFORMELECTRICAL SYSTEM (HIRSCHMANN)CENTRE REVOLVING JOINTHYDRAULICCHASSIS FRAME VALVE INSTALLATIONTURNTABLE VALVE INSTALLATIONSLEWING VALVESCHEMATIC DIAGRAM-HYDRAULICSWING SYSTEMWINCH MECHANISMDRIVER'S CAB

RT551 ROUGH TERRAIN CRANE

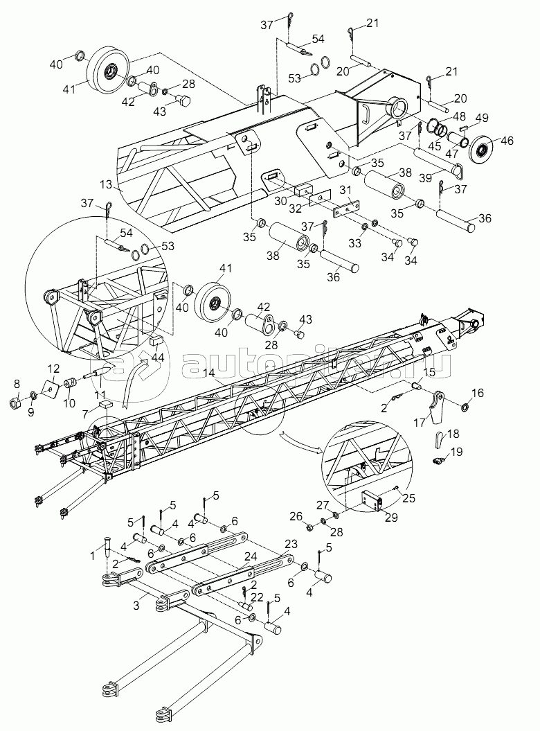
BASIC BOOM ASSY

TELESCOPIC BOOM SECTION 1 ASSY

TELESCOPIC BOOM SECTION 2 ASSY

PULLEY ASSY

TELESCOPIC BOOM SECTION 3 ASSY

PULLEY ASSY

TELESCOPIC BOOM SECTION 4 ASSY

PULLEY ASSY

ROOSTER SHEAVE

PULLEY ASSY

ROOSTER SHEAVE INSTALLATION

MAIN BOOM ASSY

ROPE GUIDE ASSY

MAIN BOOM INSTALLATION

JIB

PULLEY ASSY

PULLEY ASSY

JIB INSTALLATION

TELESCOPING MECHANISM

GUIDE SEAT

ROLLER HEAD ASSY

WIRE ROPE SUPPORT

TELESCOPING CYLINDER I

TELESCOPING CYLINDER II

DERRICKING CYLINDER INSTALLATION

DERRICKING CYLINDER

SECURING DEVICE FOR HOOK

NAME PLATE (CHINESE AND ENGLISH VERSIONS)

NAME PLATE (ENGLISH VERSION)