КрАЗ-6510kraz-6510
Поиск деталей
Например: Кабина в сборе и крепление кабины

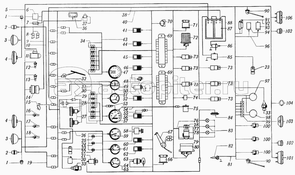
Электрооборудование КрАЗ-6510, КрАЗ-65101

Электрооборудование КрАЗ-6444 и КрАЗ-65101

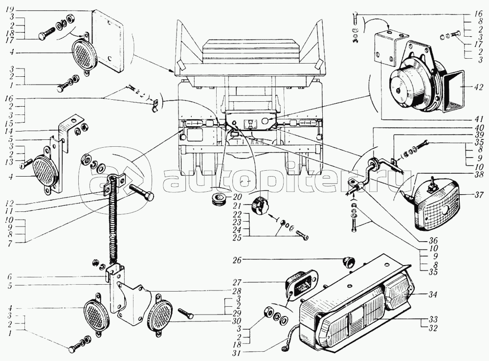
Установка задних световых приборов

Установка аккумуляторных батарей

Фары

Установка передних световых приборов

Фонари передние и повторители боковых указателей поворота

Фонари задние

Клапан с электромагнитом

Сигналы звуковые

Установка поворотной фары на КрАЗ-651001