To content
Помощь по сайту
Новости
zapros.by@autopiter.com
Контакты
Все категории
Каталоги запчастей
Минск
Вход
Корзина
Все категории
Каталоги запчастей
Фильтры Hebel Kraft
Оригинальные каталоги по VIN
Каталог мировых брендов
Запчасти ВАЗ, ГАЗ, КАМАЗ
Запчасти для ТО
Для спецтехники
Запчасти на ВАЗ, ГАЗ, Камаз и т.д.
КрАЗ
КрАЗ-6510
КрАЗ-6510
kraz-6510
Поиск деталей
Например:
Кабина в сборе и крепление кабины
Кузов
Кузов
Окно ветровое и заднее
Дверь передняя
Сиденья
Вентиляция и отопление
Принадлежности
Капот, крылья, облицовка радиатора
Платформа
Устройство подъемное и опрокидывающее платформы
Двигатель
Двигатель
Система питания
Система выпуска отработанных газов
Система охлаждения
Трансмиссия
Сцепление
Коробка раздаточная
Передача карданная
Мосты задний и средний
Ходовая часть
Рама, бамперы и брызговики двигателя
Подвеска
Ось передняя
Колеса
Механизмы управления
Управление рулевое
Тормоза
Электрооборудование
Электрооборудование
Приборы и датчики
Дополнительное оборудование
Устройство седельное
Коробка отбора мощности
Принадлежности
Инструмент и принадлежности
Приложение
Внешний вид автомобилей
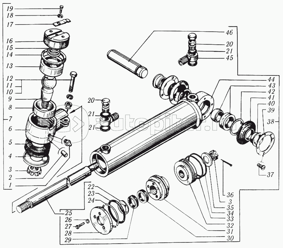
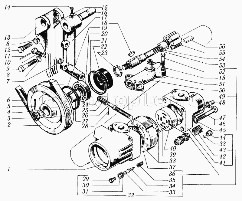
Управление рулевое
Механизм рулевой с распределителем
Рулевая колонка с колесом
Цилиндр силовой
Распределитель
Насос масляный рулевого усилителя
Бачок масляный
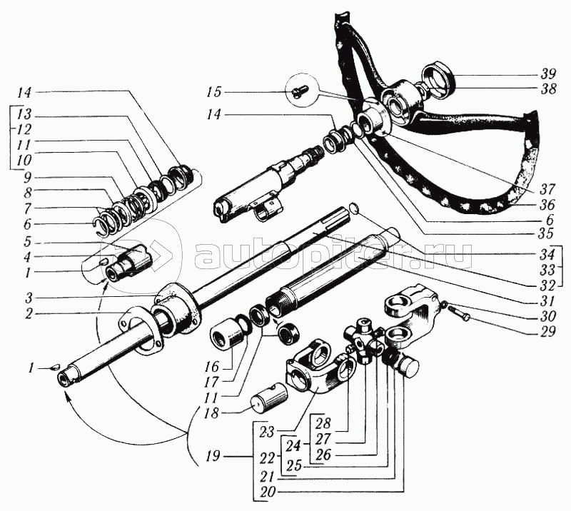
Тяга продольная