КрАЗ-6510kraz-6510
Поиск деталей
Например: Кабина в сборе и крепление кабины
КузовОкно ветровое и заднееДверь передняяСиденьяВентиляция и отоплениеПринадлежностиКапот, крылья, облицовка радиатораПлатформаУстройство подъемное и опрокидывающее платформы

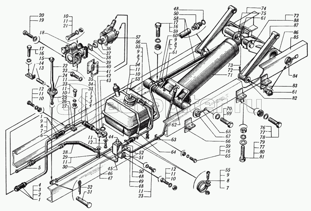
Надрамник и балансир двухцилиндрового опрокидывающего механизма

Цилиндры опрокидывающего механизма

Насос двухцилиндрового опрокидывающего механизма

Карданный вал привода насоса двухцилиндрового опрокидывающего механизма

Управление двухцилиндровым опрокидывающим механизмом

Установка опрокидывающего механизма с одним цилиндром

Цилиндр опрокидывающего механизма

Насос одноцилиндрового опрокидывающего механизма

Бак масляный одноцилиндрового опрокидывающего механизма

Гидрораспределитель одноцилиндрового опрокидывающего механизма