МЗКТ-79092mzkt-79092
Поиск деталей
Например: Кабина. Подвеска кабины

Система питания

Бак топливный, пробка топливного бака, трубопроводы топливные, ограждение топливных баков

Бак топливный, пробка топливного бака, трубопроводы топливные, ограждение топливных баков

Бак топливный

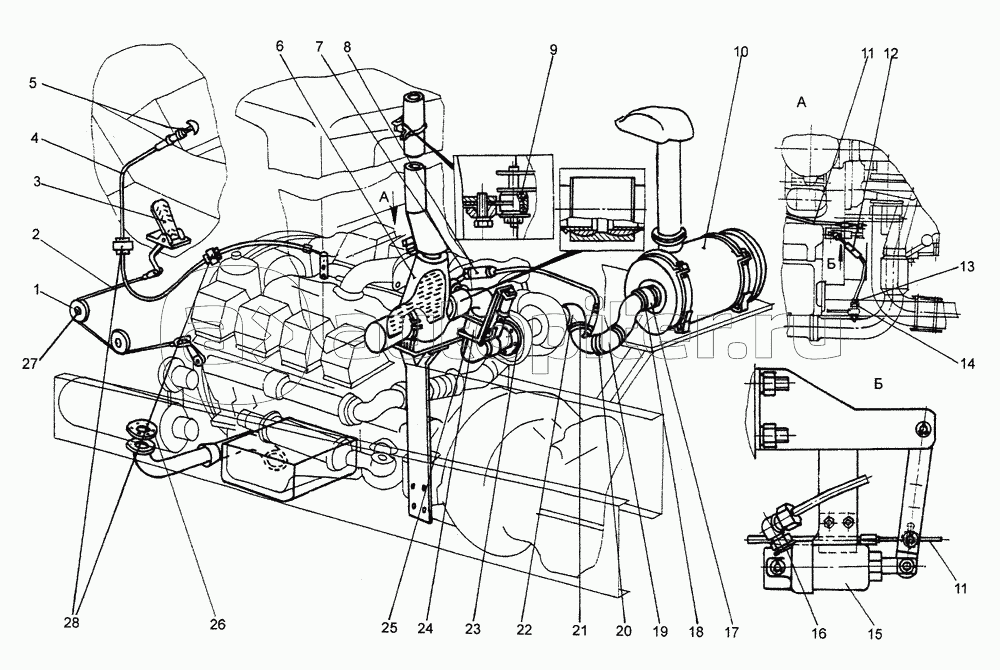
Фильтр грубой очистки топлива, управление подачей топлива, фильтр воздушный двигателя, система выпускная

Фильтр грубой очистки топлива

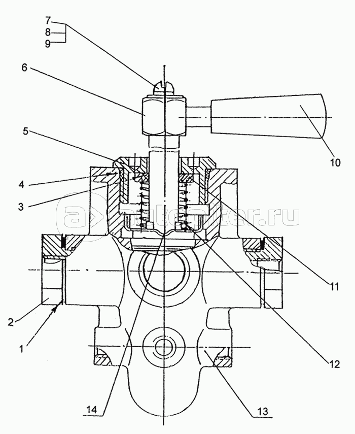
Кран топливораспределительный