To content
Помощь по сайту
Новости
zapros.by@autopiter.com
Контакты
Страна: Беларусь
Выберите язык
Ru — Русский
En — English
De — Deutsch
Pl — Polski
Все категории
Каталоги запчастей
Минск
Вход
Корзина
Все категории
Каталоги запчастей
Фильтры Hebel Kraft
Оригинальные каталоги по VIN
Каталог мировых брендов
Запчасти ВАЗ, ГАЗ, КАМАЗ
Запчасти для ТО
Для спецтехники
Запчасти на ВАЗ, ГАЗ, Камаз и т.д.
МЗКТ
МЗКТ-79092
МЗКТ-79092
mzkt-79092
Поиск деталей
Например:
Кабина. Подвеска кабины
Кузов
Кузов
Дверь передняя
Сиденья
Вентиляция и отопление
Двигатель
Двигатель
Система питания
Система охлаждения
Трансмиссия
Сцепление
Коробка передач
Коробка раздаточная
Передача карданная
Мост передний
Мост задний
Ходовая часть
Подвеска
Колеса
Механизмы управления
Управление рулевое
Тормоза
Электрооборудование
Электрооборудование
Приборы и датчики
Дополнительное оборудование
Коробка отбора мощности
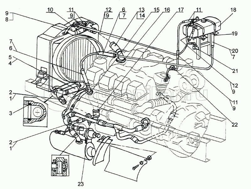
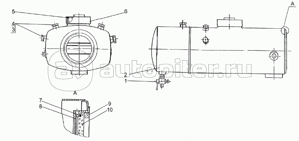
Система охлаждения двигателя. Фильтр грубой очистки воздуха
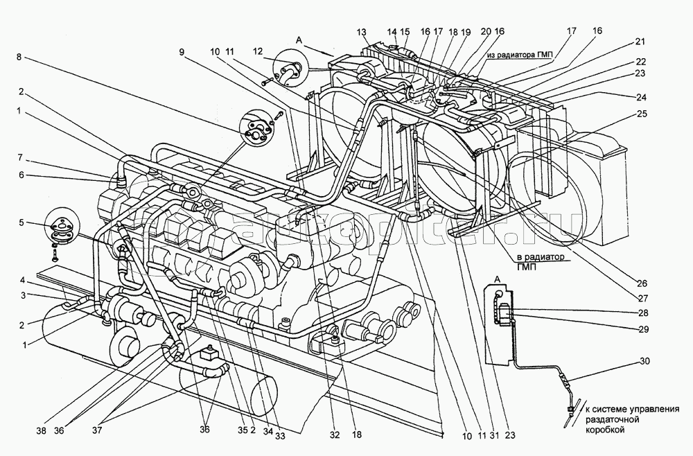
Пробка радиатора, трубопроводы и шланги системы охлаждения, кран сливной, бачок расширительный
Клапан редукционный
Бачок расширительный