ЗИЛ-433100zil-433100-672
Поиск деталей
Например: Кабина без дверей
/096.gif)
Схема пневматического привода тормозных систем автомобиля ЗИЛ-433100
/097.gif)
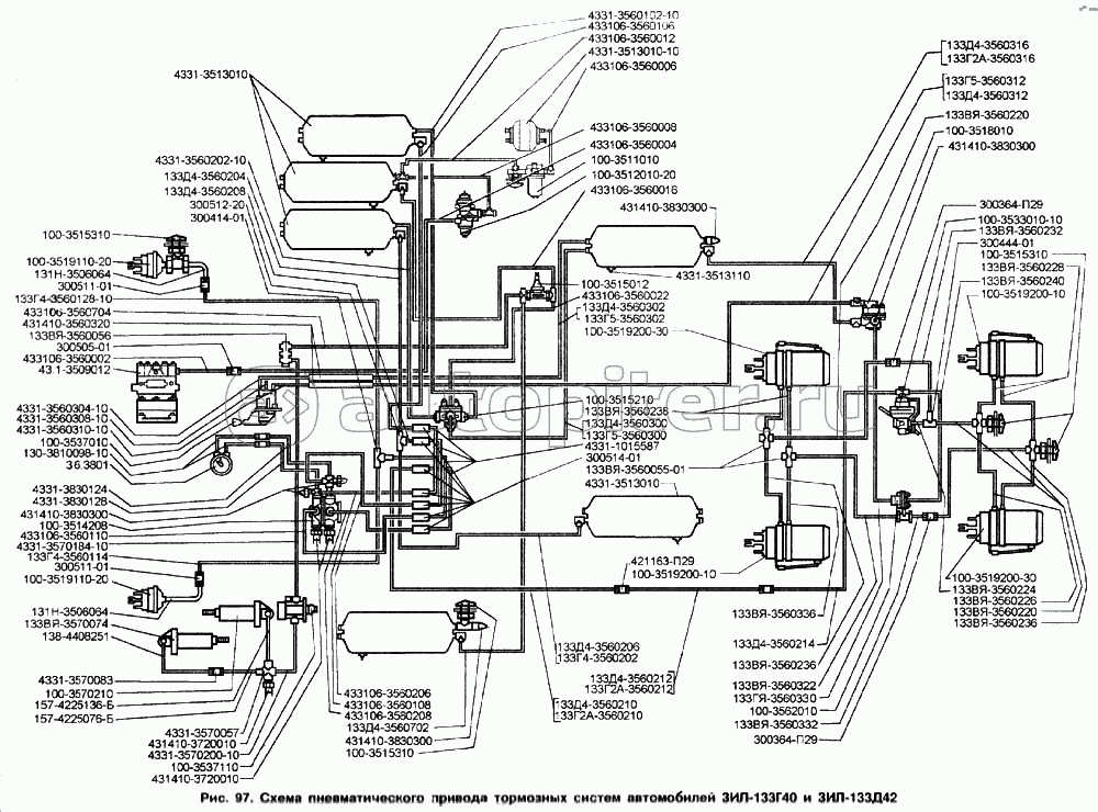
Схема пневматического привода тормозных систем автомобилей ЗИЛ-133Г40 и ЗИЛ-133Д42
/098.gif)
Тормозной барабан, тормоза и ступицы передних колес
/099.gif)
Тормоза и ступицы задних колес
/100.gif)
Рычаг регулировочный и муфта свободного хода
/101.gif)
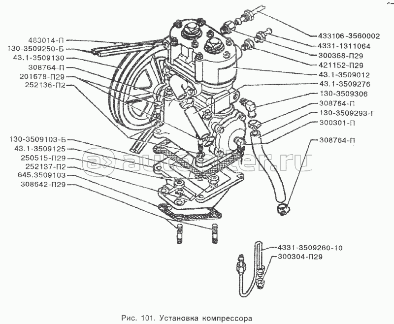
Установка компрессора
/102.gif)
Компрессор
/103.gif)
Установка воздушных баллонов на автомобиле ЗИЛ-433100
/104.gif)
Установка воздушных баллонов на автомобили ЗИЛ-133
/105.gif)
Установка тормозного крана и трубок воздушного манометра на автомобиль ЗИЛ-433100
/106.gif)
Установка тормозного крана и трубок воздушного манометра на автомобиль ЗИЛ-433
/107.gif)
Установка контрольно-предохранительной аппаратуры
/108.gif)
Установка ускорительного клапана на автомобиле ЗИЛ-433100
/109.gif)
Установка трубопроводов передних тормозных камер на автомобиле ЗИЛ-433100
/110.gif)
Установка трубопроводов передних тормозных камер на автомобиле ЗИЛ-133
/111.gif)
Установка задних тормозных камер на автомобиле ЗИЛ-433100
/112.gif)
Установка задних тормозных камер на автомобиле ЗИЛ-133
/113.gif)
Установка соединительных головок на автомобиле ЗИЛ-433100
/114.gif)
Установка клапана прицепа на автомобиль ЗИЛ-433100
/115.gif)
Установка регулятора тормозных сил на автомобиль ЗИЛ-433100
/116.gif)
Установка ускорительного клапана и регулятора тормозных сил на автомобилях ЗИЛ-133
/117.gif)
Установка тормозной пневмоаппаратуры в кабине автомобиля ЗИЛ-433100
/118.gif)
Установка тормозной пневмоаппаратуры в кабине автомобиля ЗИЛ-133
/119.gif)
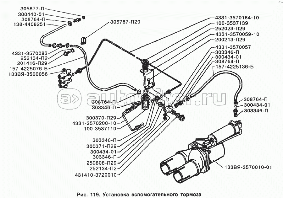
Установка вспомогательного тормоза
/120.gif)
Вспомогательный тормоз
/121.gif)
Влагомаслоотделитель
/122.gif)
Регулятор давления
/123.gif)
Кран слива конденсата
/124.gif)
Двухсекционный тормозной кран
/125.gif)
Защитный клапан
/126.gif)
Одинарный защитный клапан
/127.gif)
Тройной защитный клапан
/128.gif)
Клапан контрольного вывода
/129.gif)
Ускорительный клапан
/130.gif)
Тормозная камера
/131.gif)
Тормозная камера с энергоаккумулятором
/132.gif)
Головка соединительная
/133.gif)
Клапан управления тормозами прицепа
/134.gif)
Регулятор тормозных сил
/135.gif)
Упругий элемент регулятора тормозных сил
/136.gif)
Тормозной кран обратного действия с ручным управлением
/137.gif)
Кран пневматический
/138.gif)
Пневматический цилиндр
/139.gif)
Двухмагистральный клапан
/140.gif)
Клапан обратного действия
/039.gif)
Пневматический цилиндр