To content
Помощь по сайту
Новости
zapros.by@autopiter.com
Контакты
Все категории
Каталоги запчастей
Минск
Вход
Корзина
Все категории
Каталоги запчастей
Фильтры Hebel Kraft
Оригинальные каталоги по VIN
Каталог мировых брендов
Запчасти ВАЗ, ГАЗ, КАМАЗ
Запчасти для ТО
Для спецтехники
Запчасти на ВАЗ, ГАЗ, Камаз и т.д.
ЗИЛ
ЗИЛ-433100
ЗИЛ-433100
zil-433100-672
Поиск деталей
Например:
Кабина без дверей
Кузов
Кабина
Окно ветровое и заднее
Передок кузова
Крыша кузова
Дверь передняя
Сиденья
Вентиляция и отопление
Принадлежности
Капот, крылья, облицовка радиатора
Платформа
Двигатель
Двигатель
Система питания
Система выпуска отработанных газов
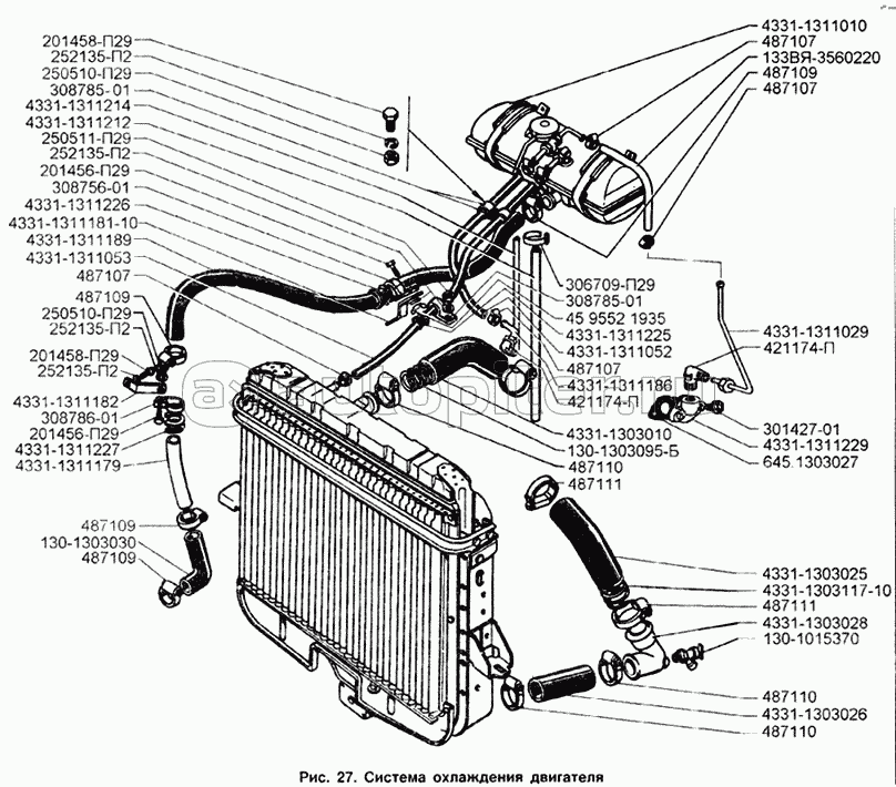
Система охлаждения
Трансмиссия
Сцепление
Коробка передач
Передача карданная
Мост задний
Мост средний
Ходовая часть
Рама, бамперы и брызговики двигателя
Подвеска
Ось передняя
Колеса
Механизмы управления
Управление рулевое
Тормоза
Электрооборудование
Электрооборудование
Приборы и датчики
Принадлежности
Инструмент и принадлежности
Приложение
Установка подшипников
Система охлаждения двигателя
Установка радиатора системы охлаждения
Сливной краник системы охлаждения
Жалюзи радиатора
Расширительный бачок
Коробка термостатов и отводящий патрубок головки блока цилиндров
Жидкостный насос
Вентилятор и муфта отключения радиатора