ЗИЛ-433100zil-433100-672
Поиск деталей
Например: Кабина без дверей
/004.gif)
Подвеска силового агрегата
/005.gif)
Блок цилиндров двигателя, гильза цилиндра
/006.gif)
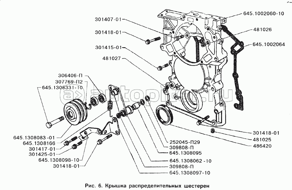
Крышка распределительных шестерен
/007.gif)
Головка блока цилиндров
/008.gif)
Поршень, шатун, коленчатый вал и маховик двигателя
/009.gif)
Картер маховика
/010.gif)
Распределительный вал, клапаны и толкатели
/011.gif)
Впускная труба, соединительный патрубок двигателей
/012.gif)
Выпускной коллектор
/013.gif)
Масляный картер
/014.gif)
Масляный насос, приемник масляного насоса
/015.gif)
Редукционный клапан
/016.gif)
Масляный фильтр
/017.gif)
Установка масляных радиаторов двигателя и гидроусилителя руля
/018.gif)
Вентиляция картера двигателя
/019.gif)
Установка жидкостного подогревателя
/020.gif)
Установка топливной аппаратуры подогревателя
/021.gif)
Установка жидкостного насоса и трубопроводов
/025.gif)
Установка электрофакельного подогревателя
/026.gif)
Центробежный маслоочиститель